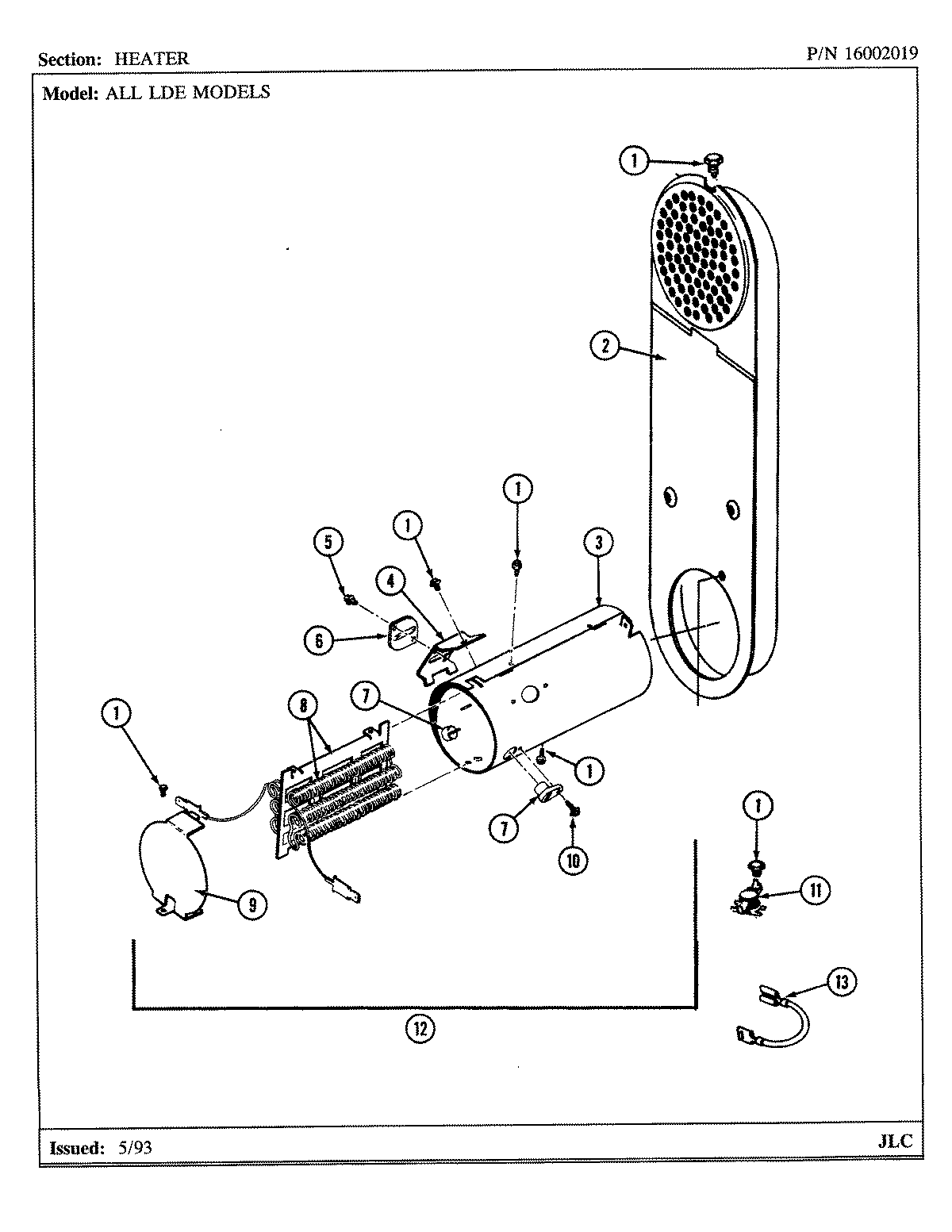
LDE8410ADE 05 – HEATERadmin2025-04-26T08:56:39+00:00LDE8410ADE 05 – HEATER ProductsPositionProduct1WP90767 Whirlpool Screw2MAY 3085033MAY 3149954MAY 3153465MAY 3148486WP307473 Whirlpool Thermal Fuse7MAY 3149988MAY 3071849MAY 31499910MAY 31455411MAY 30821712WP307178 Whirlpool Element13WPY307173 Whirlpool Wire Jumper