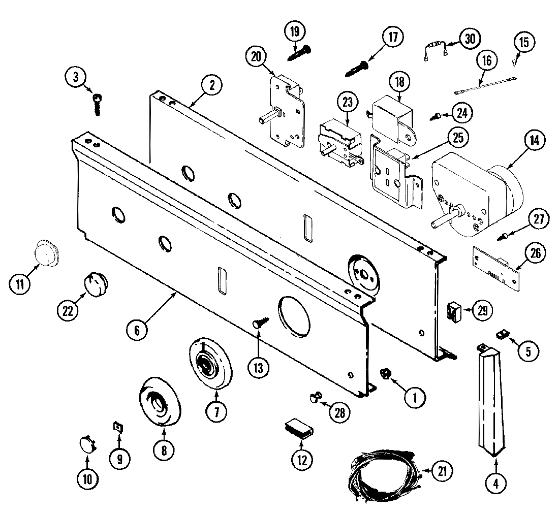
LDE9314ACE 03 – CONTROL PANEL