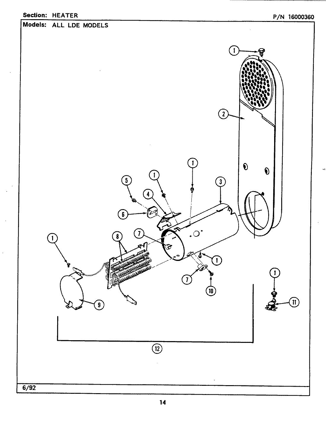
LDE9701ACL 04 – HEATERadmin2025-04-26T08:56:43+00:00LDE9701ACL 04 – HEATER ProductsPositionProduct1WP90767 Whirlpool Screw2MAY 3071202MAY 3085033MAY 3149954MAY 3153465MAY 3148486WP307473 Whirlpool Thermal Fuse7MAY 3149988MAY 3071849MAY 31499910MAY 31455411WP303396 Whirlpool Thermostat12WP307178 Whirlpool Element