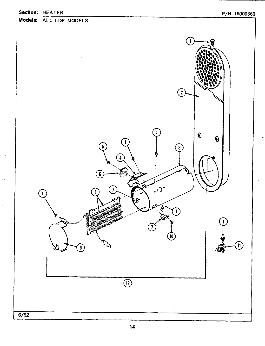
LDE9801ACW 05 – HEATER