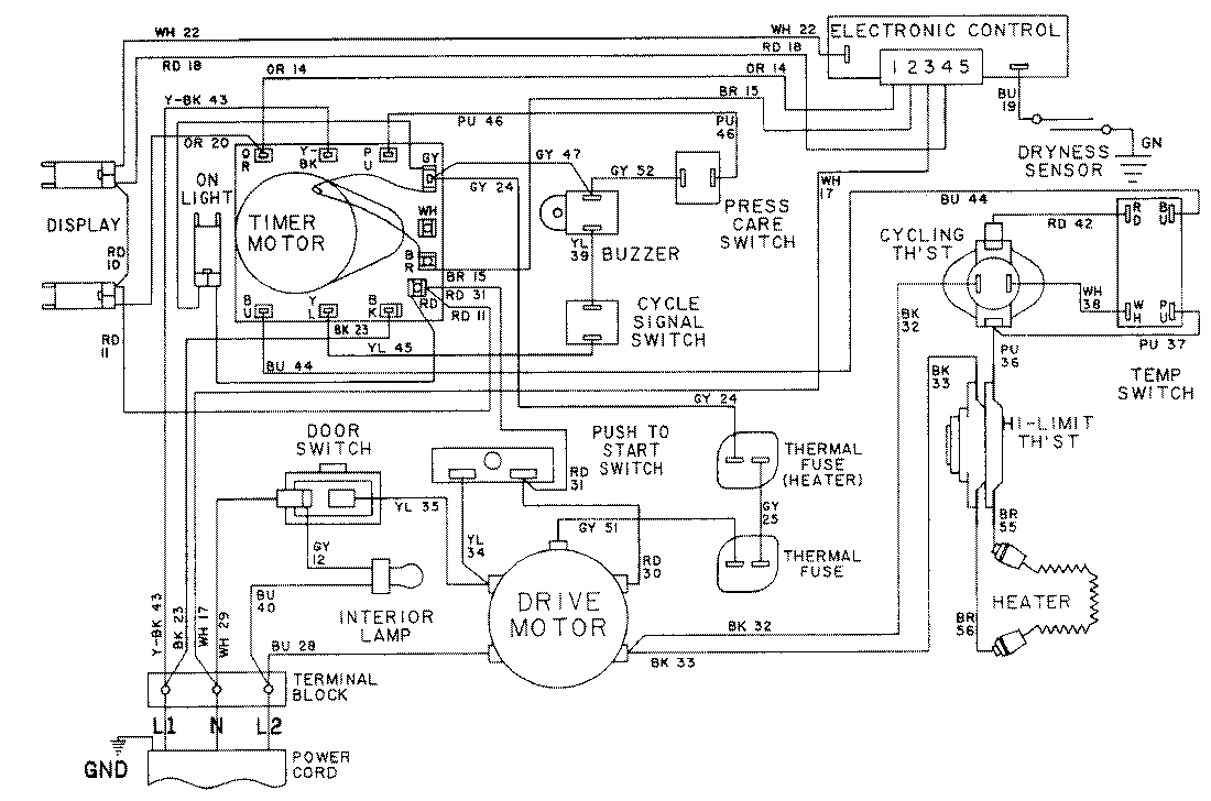
LDE9804ADE 09 – WIRING INFORMATIONadmin2025-04-26T08:56:51+00:00LDE9804ADE 09 – WIRING INFORMATION ProductsPositionProductNIMAY 15001068NIMAY 15001607NIMAY 15001629