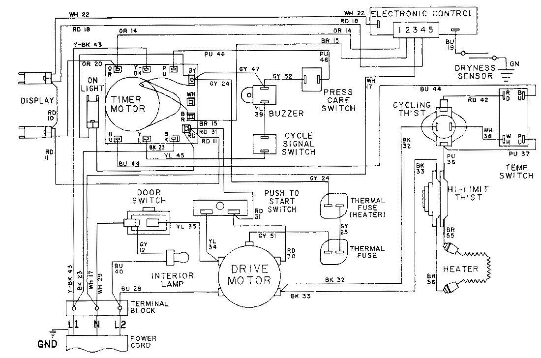
LDE9804ADM 09 – WIRING INFORMATIONadmin2025-04-26T08:56:26+00:00LDE9804ADM 09 – WIRING INFORMATION ProductsPositionProductNIMAY 15001068NIMAY 15001607NIMAY 15001629