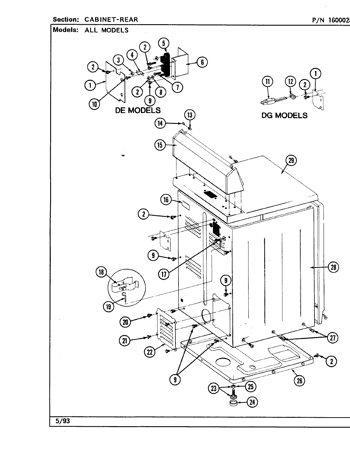
LDE9900BCW 02 – CABINET-REARadmin2025-04-26T08:56:50+00:00LDE9900BCW 02 – CABINET-REAR ProductsPositionProduct1MAY Y3129052MAY Y3135613WP112432 Whirlpool Nut Assembly4PART NOT USED5PART NOT USED6PART NOT USED7SCREW, No.10-24 X 3/4 INCH-----O8WPY311270 Whirlpool Washer TE9MAY Y31063210PART NOT USED13MAY 21507514MAY 21093215MAY Y30519316INSTRUCTION LABEL17MAY 30384620MAY Y31355921WP90767 Whirlpool Screw22MAY Y31295123W10176519 Whirlpool Leveling Feet24WPY314137 Whirlpool Rubber Foot25WP62739 Whirlpool Nut26MAY Y30336127MAY 21307728MAY 30712429TOP COVER ASSY. (WHT)