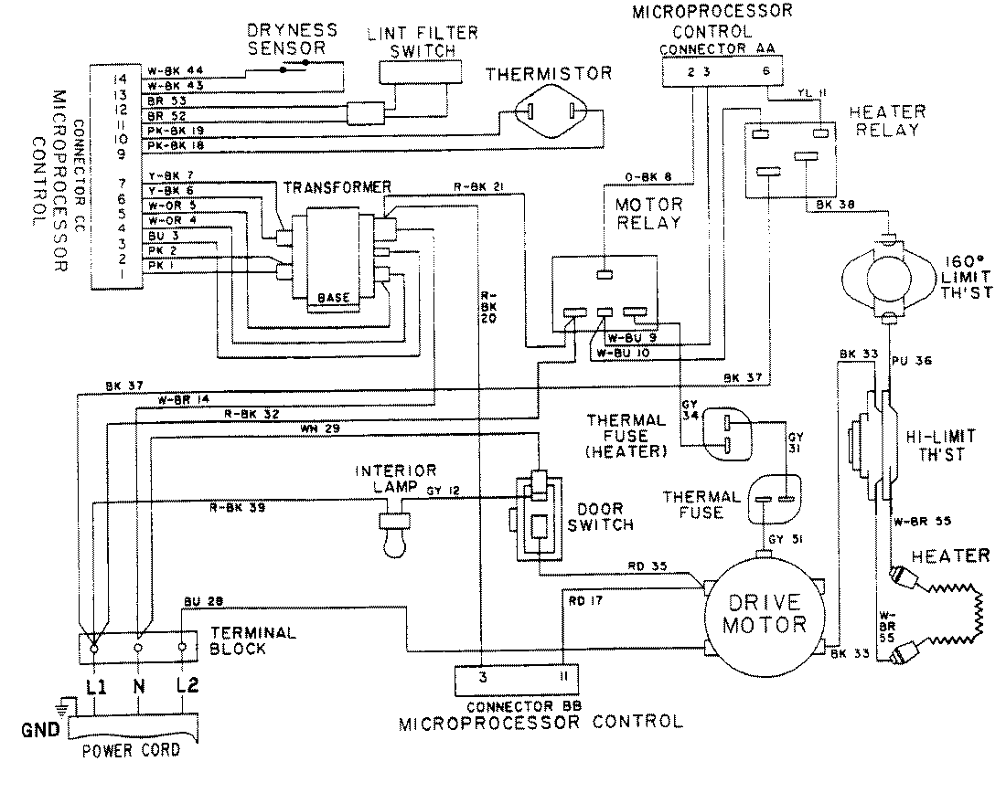
LDE9904ADE 09 – WIRING INFORMATION-LDE9904ADEadmin2025-04-26T08:56:52+00:00LDE9904ADE 09 – WIRING INFORMATION-LDE9904ADE ProductsPositionProductNIMAY 15001073NIMAY 15001639