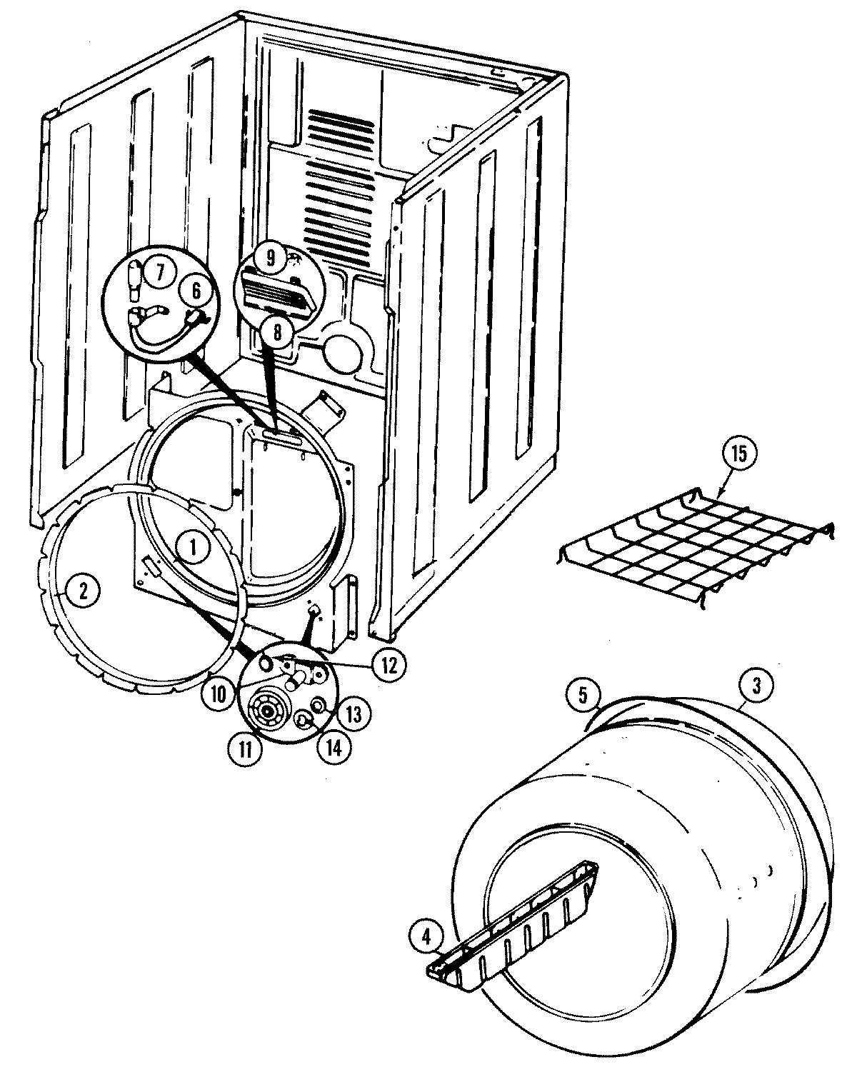
| 1 | MAY 53-1709 |
| 1 | MAY 25-7733 |
| 2 | WP31001747 Whirlpool Seal Assembly |
| 3 | MAY 53-1250 |
| 4 | MAY 25-7759 |
| 4 | MAY 53-1249 |
| 5 | MAY 53-1589 |
| 6 | MAY 53-1580 |
| 6 | MAY 25-3457 |
| 7 | MAY 53-0570 |
| 8 | MAY 53-0174 |
| 9 | WP3195558 Whirlpool Nut |
| 10 | WP53-0197 Whirlpool Support Bracket |
| 10 | WP3351614 Whirlpool Screw |
| 11 | MAY 53-1578 |
| 12 | MAY 25-7813 |
| 13 | MAY 25-7814 |
| 14 | MAY LA-1008 |
| 14 | WP25-7854 Whirlpool Clip |
| 15 | MAY 53-0772 |