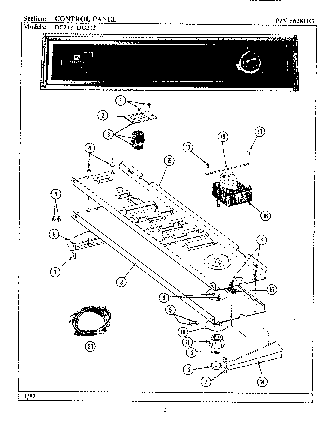
LDG212 01 – CONTROL PANEL