| 1 | MAY 314119 |
| 2 | MAY Y313927 |
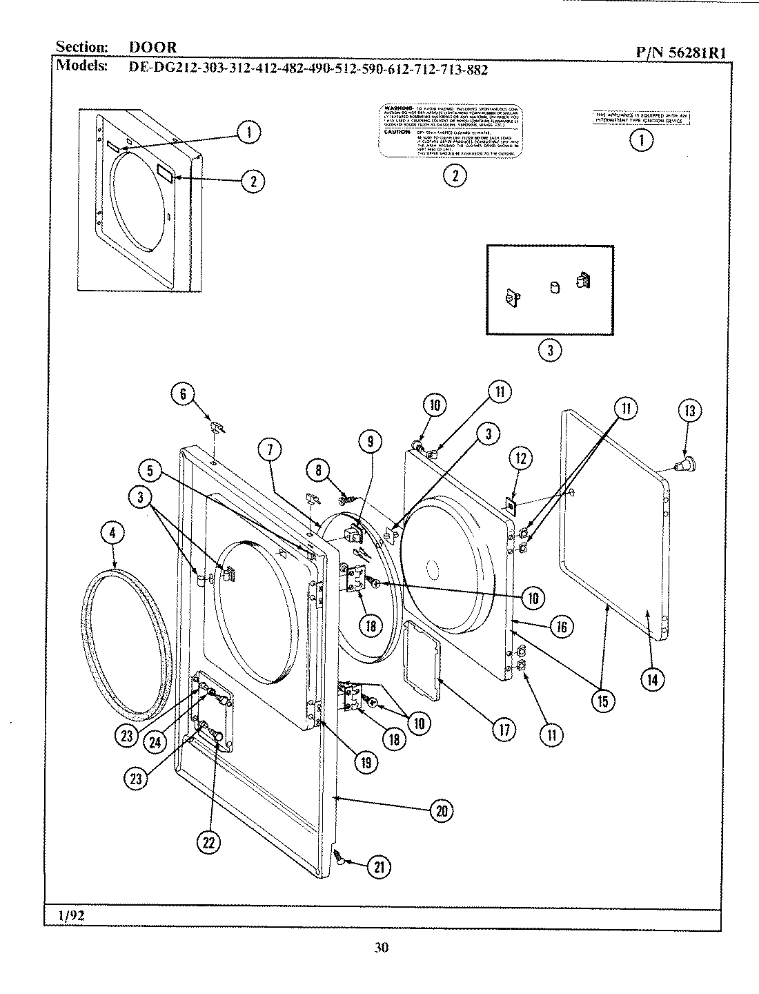
| 3 | 306436 Whirlpool Washer Dryer Door Catch and Plastic Strike |
| 5 | MAY Y310376 |
| 6 | MAY 212982 |
| 7 | MAY 314077 |
| 8 | WP400021-1 Whirlpool Screw |
| 9 | W10169313 Whirlpool Door Switch Kit |
| 11 | CLIP, DOOR LINER |
| 12 | MAY Y313911 |
| 13 | MAY 303942 |
| 15 | MAY 306668L |
| 15 | MAY 304579L |
| 16 | MAY 306676 |
| 16 | MAY 305835 |
| 17 | MAY 302542L |
| 18 | MAY Y304577 |
| 19 | MAY Y313907 |
| 20 | MAY 304594L |
| 21 | SCREW & FSTNER ASSY (FT. PNL) |
| 22 | SCREW, BUSHINGS |
| 23 | BUSHING FOR ACCESS STUD |
| 24 | SLEEVE, ACCESS DOOR RUBBER |