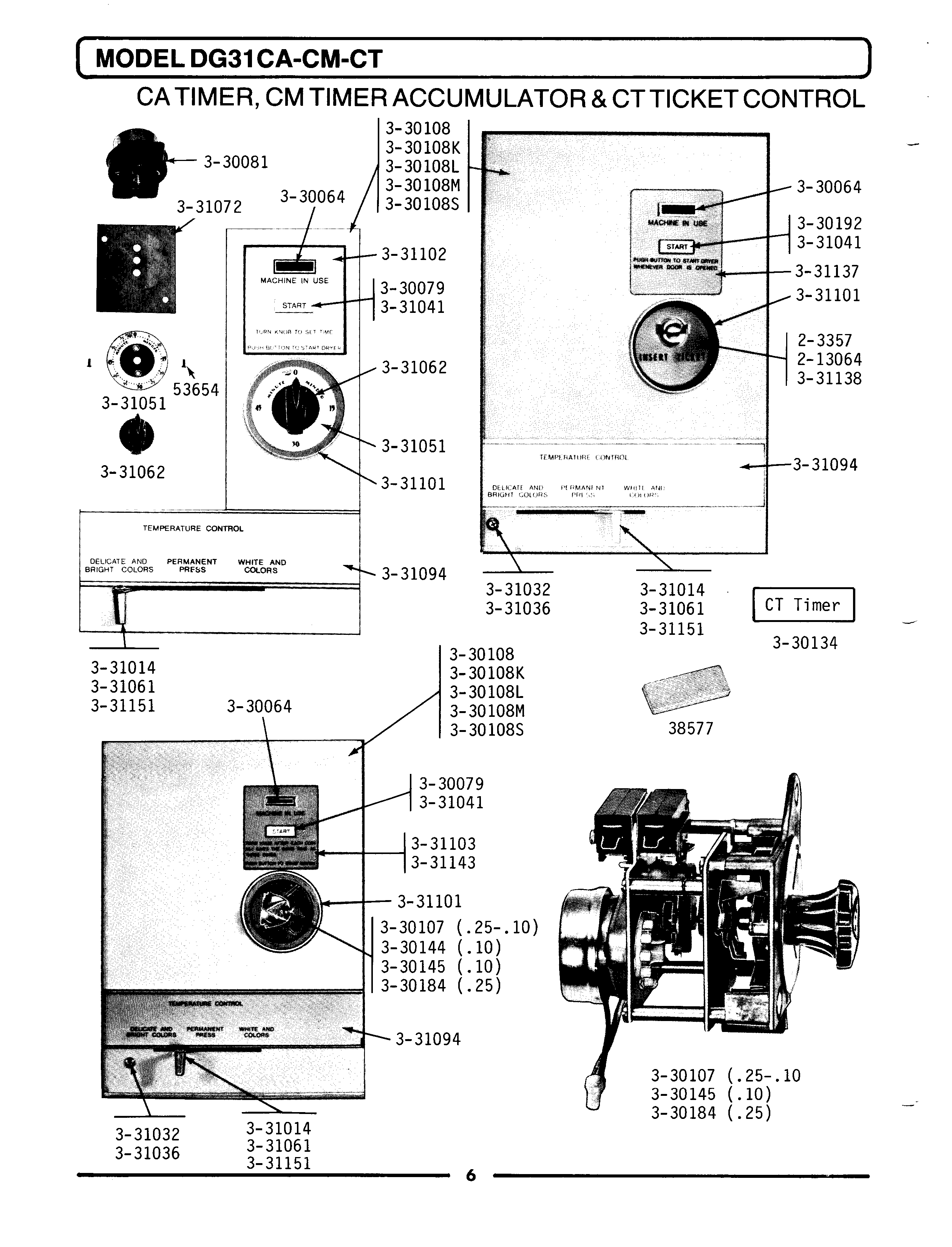
LDG31CA 02 – TIMER ACCUMULATORS & TICKET CONTROL