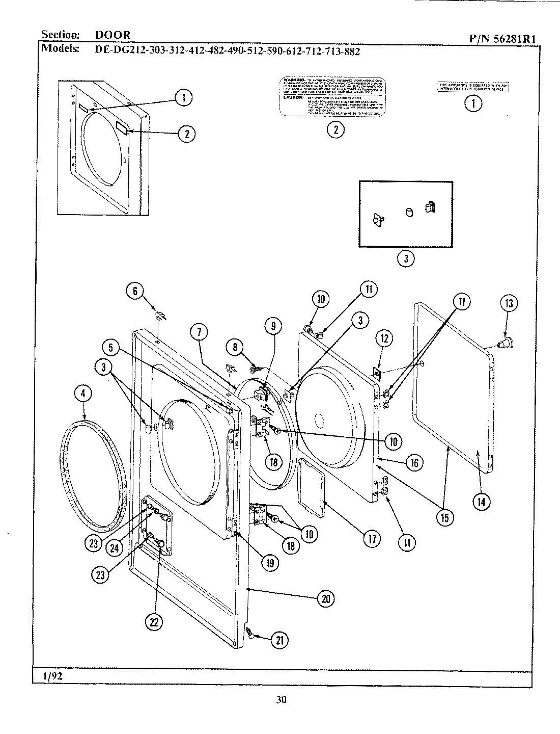
LDG482 02 – DOOR