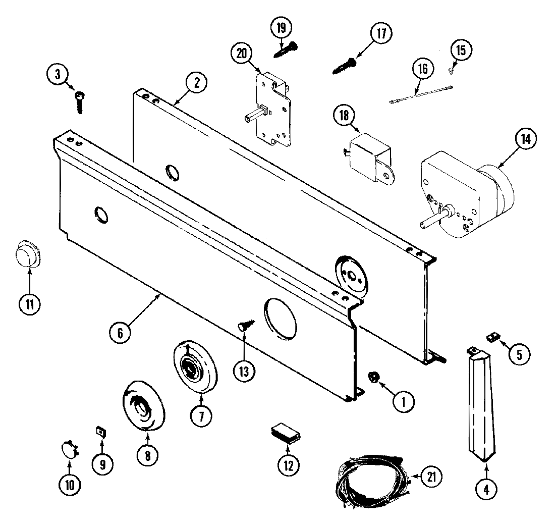
LDG5004ABW 03 – CONTROL PANELadmin2025-04-26T08:56:50+00:00LDG5004ABW 03 – CONTROL PANEL ProductsPositionProduct1MAY 2148722MAY 330012373MAY 3147284MAY 220015624MAY 220015634MAY 2079274MAY 2079285MAY 2148946MAY 330010917MAY 330011828MAY 3150419W10155650 Whirlpool Nut10MAY 21619311MAY 3300118412MAY 21489714MAY Y30821815MAY 21018616MAY 20480718MAY Y30820519MAY 31531720MAY 3300123221MAY 3300111921MAY 3300152822MAY 33001239