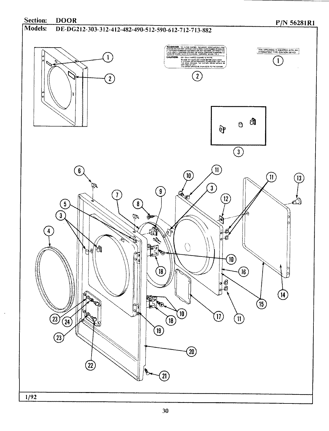
LDG712 02 – DOOR