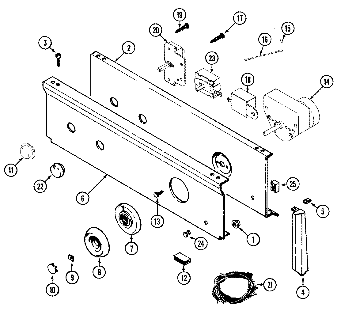
LDG7304AAL 03 – CONTROL PANELadmin2025-04-26T08:56:27+00:00LDG7304AAL 03 – CONTROL PANEL ProductsPositionProduct1MAY 2148722MAY 330012373MAY 3147284MAY 220012904MAY 220012885MAY 2148946MAY 330010987MAY 330011828MAY 3150419W10155650 Whirlpool Nut10MAY 21619311MAY 3300118412MAY 21489714WPY308254 Whirlpool Timer15MAY 21018616MAY 20480718MAY Y30820519MAY 31531720MAY 3300123221MAY 3300135221MAY 3300154721MAY 3300112622MAY 2200126723MAY 3300122824WP7730P011-60 Whirlpool Indicator Lens25MAY 33001224