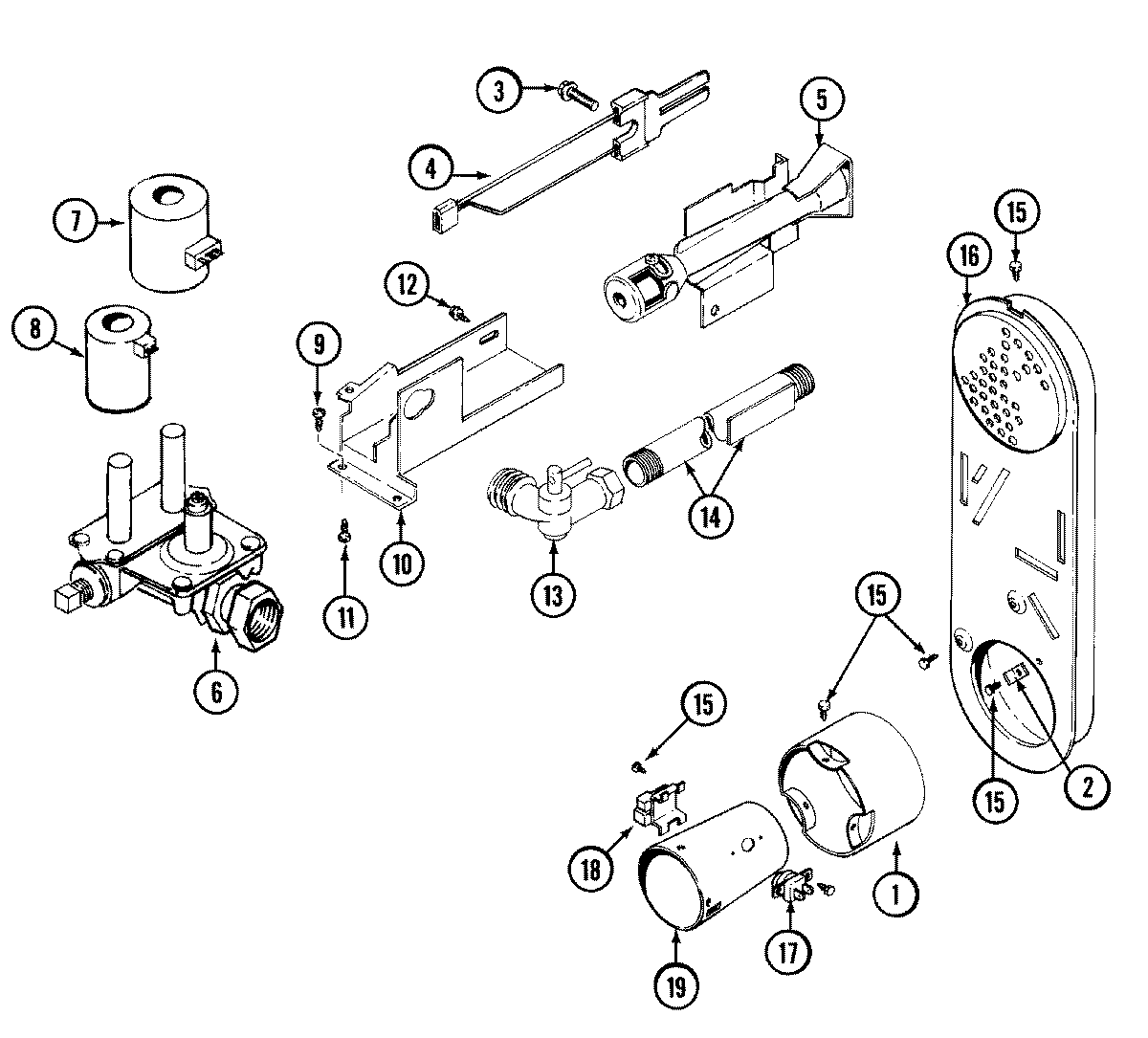
LDG7304AGE 05 – GAS VALVEadmin2025-04-26T08:56:51+00:00LDG7304AGE 05 – GAS VALVE ProductsPositionProduct1MAY 3049531WP33002924 Whirlpool LP Conversion Gas1CONVERSION KIT (NAT.TO LP)2MAY Y3128903MAY 30497144391996 Whirlpool Dryer Flat Igniter5WP33002793 Whirlpool Burner Assembly6MAY 3079277WPY307931 Whirlpool Valve Coil8WP307930 Whirlpool Coil Valve9MAY Y31356110MAY 31456611MAY Y31355912MAY 31408212MAY 31456813MAY Y30334914MAY Y30338315WP90767 Whirlpool Screw16MAY Y30850417WP303395 Whirlpool Thermostat18WP338906 Whirlpool Dryer Gas Sensor19MAY Y308549