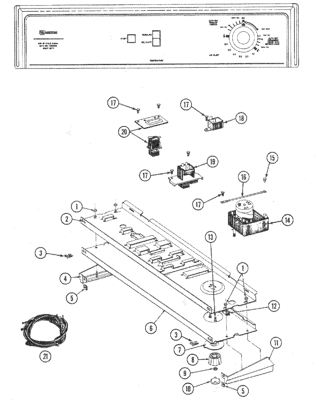
LDG7500AAL 05 – CONTROL PANEL (LDG7500AAL,AAW,ABL,ABW)admin2025-04-26T08:56:42+00:00LDG7500AAL 05 – CONTROL PANEL (LDG7500AAL,AAW,ABL,ABW) ProductsPositionProduct1MAY 2148722BACK UP PLATE3MAY 2109324MAY 2072155MAY 2148946MAY 3079527MAY 3150428MAY 3150419W10155650 Whirlpool Nut10MAY 21582111MAY 20721612MAY 21489713MAY 31531714WPY308253 Whirlpool Timer15WP90767 Whirlpool Screw16MAY 20480717WPW10139210 Whirlpool Screw18WP694419 Whirlpool Buzzer Adjuster19MAY 20736520SWITCH PUSH TO START21MAY 30729321HARNESS, WIRE22MAY 1600032722MAY 315083