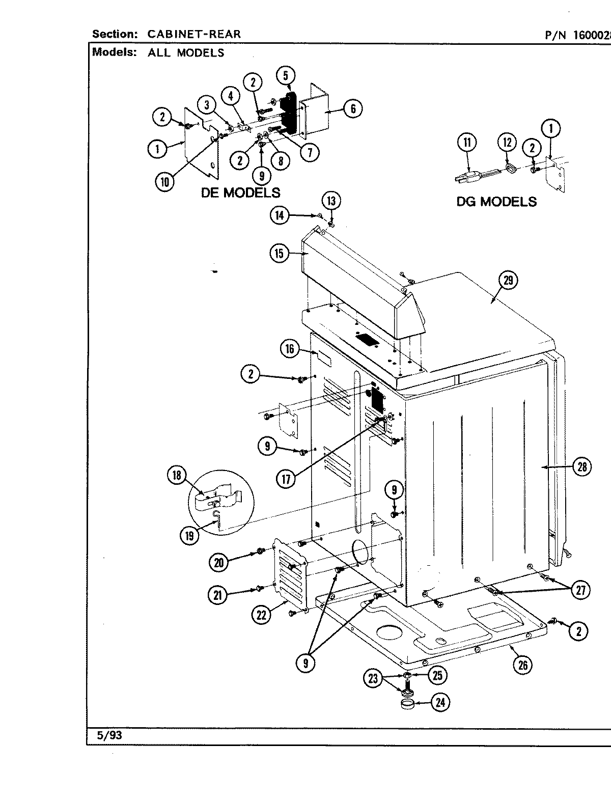
LDG8300AAW 02 – CABINET-REARadmin2025-04-26T09:02:57+00:00LDG8300AAW 02 – CABINET-REAR ProductsPositionProduct1MAY Y3129052MAY Y3135619MAY Y31063211MAY 30252112GROMMET13MAY 21507514MAY 21093215MAY Y30519316INSTRUCTION LABEL17MAY 30384618MAY 30154819WP311155 Whirlpool Wire Assembly20MAY Y31355921WP90767 Whirlpool Screw22MAY Y31295123W10176519 Whirlpool Leveling Feet24WPY314137 Whirlpool Rubber Foot25WP62739 Whirlpool Nut26MAY Y30336127MAY 213077