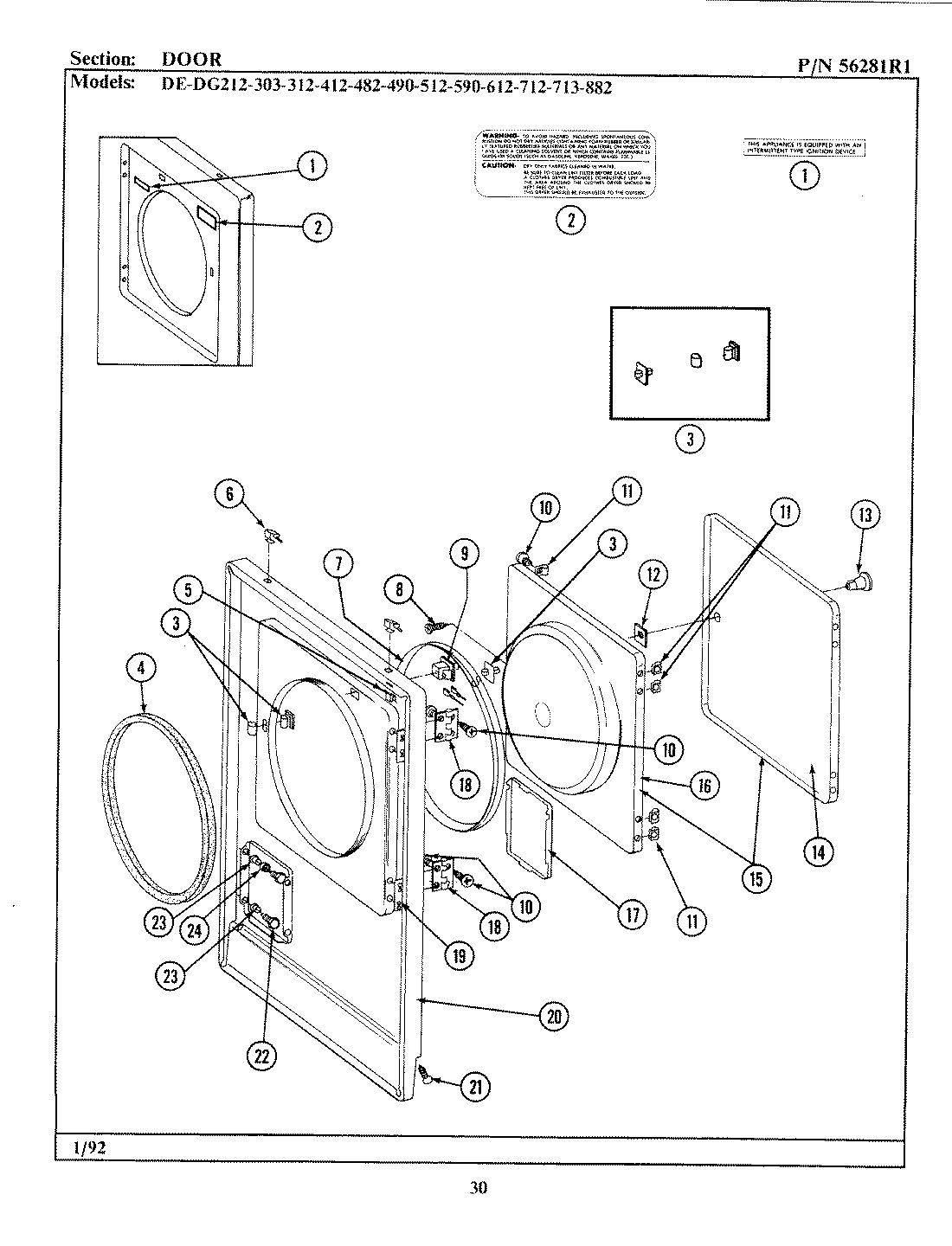
LDG882 02 – DOOR