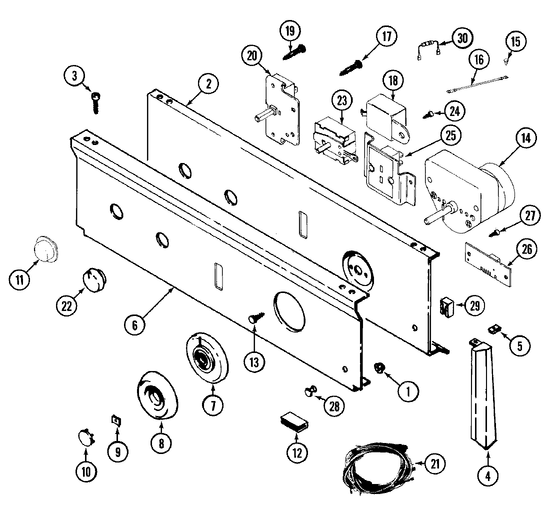
LDG9314AAE 03 – CONTROL PANELadmin2025-04-26T09:04:12+00:00LDG9314AAE 03 – CONTROL PANEL ProductsPositionProduct1MAY 2148722MAY 330012373MAY 2109324MAY 220015654MAY 220015644MAY 220012914MAY 220012895MAY 2148946MAY 330010747MAY 330011838MAY 330012559W10155650 Whirlpool Nut10MAY 21625011MAY 3300118512MAY 21489714MAY 3300103615MAY 21018616MAY 20480718MAY Y30820520MAY 3300123221MAY 3300114821MAY 3300135622MAY 2200126823MAY 3300122925MAY 3300104726WP33001212 Whirlpool Electronic Control Board27MAY 31531728WP7730P011-60 Whirlpool Indicator Lens29MAY 3300122430MAY 33001103