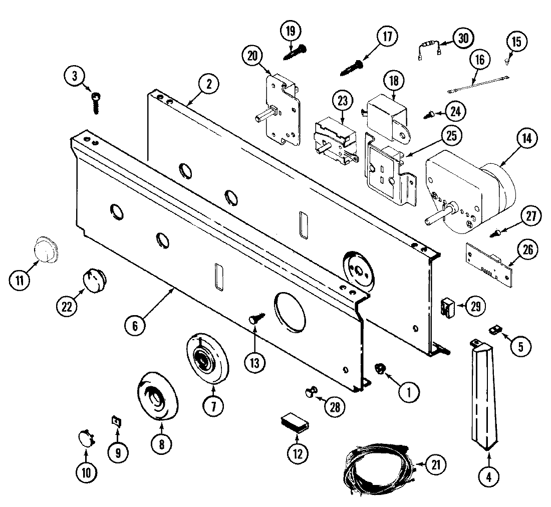
LDG9334AAL 03 – CONTROL PANELadmin2025-04-26T09:03:32+00:00LDG9334AAL 03 – CONTROL PANEL ProductsPositionProduct1MAY 2148722MAY 330012373MAY 3147284MAY 220012904MAY 220012885MAY 2148946MAY 330010957MAY 330011828MAY 3150419W10155650 Whirlpool Nut10MAY 21619311MAY 3300118412MAY 21489714MAY 3300103615MAY 21018616MAY 20480718MAY Y30820520MAY 3300123221MAY 3300154521MAY 3300135021MAY 3300114522MAY 2200126723MAY 3300122525MAY 3300104626WP33001212 Whirlpool Electronic Control Board27MAY 31531728WP7730P011-60 Whirlpool Indicator Lens29MAY 3300122430MAY 3300110531MAY 3300125931MAY 16000327