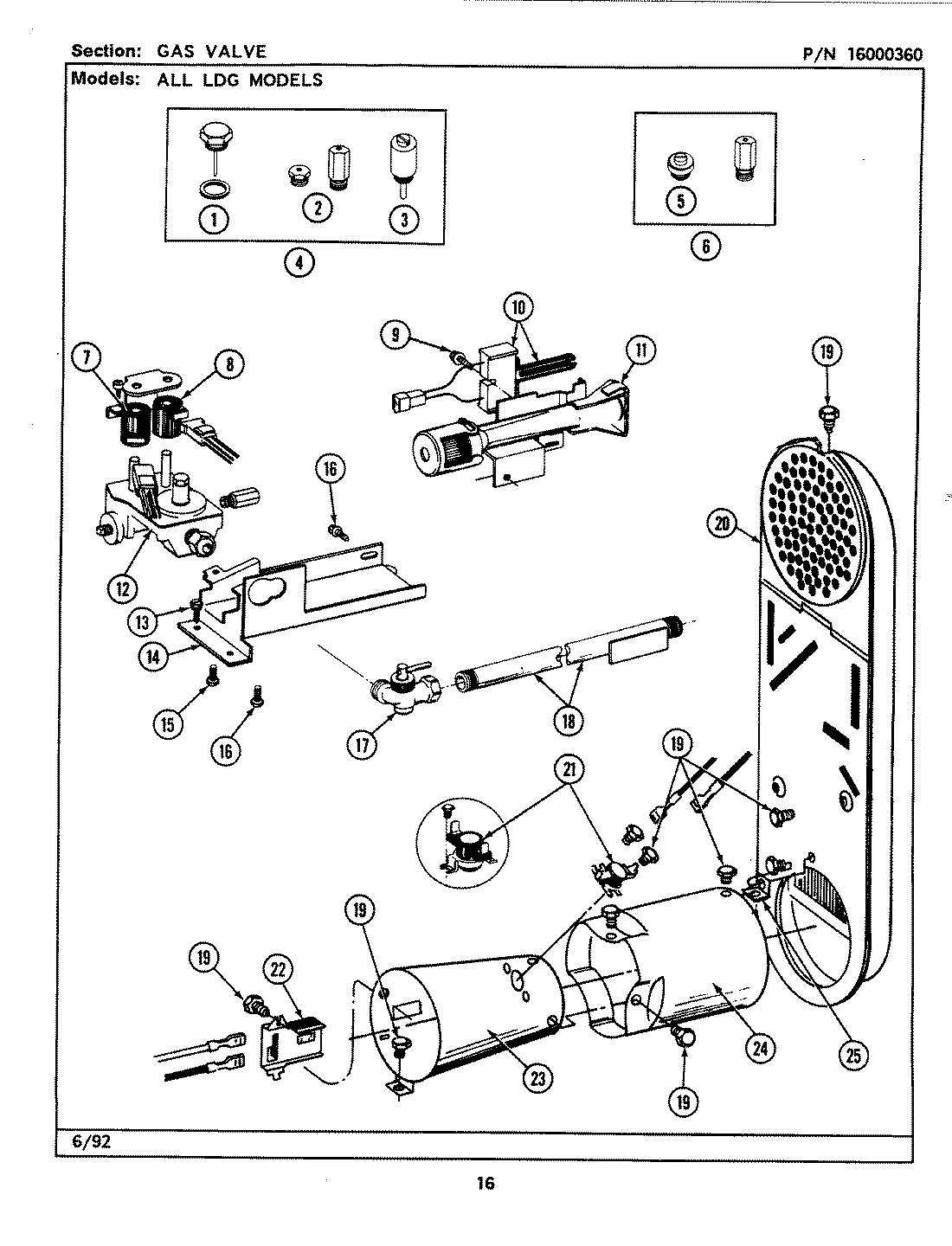
LDG9801ABL 05 – GAS VALVEadmin2025-04-26T09:04:08+00:00LDG9801ABL 05 – GAS VALVE ProductsPositionProduct1MAY 3028102MAY 3058613MAY 3061844CONVERSION KIT (NAT.TO LP)5WP694424 Whirlpool Limiter6WP33002924 Whirlpool LP Conversion Gas8279834 Whirlpool Dryer Gas Valve Solenoid Coil Kit9MAY 304971104391996 Whirlpool Dryer Flat Igniter11MAY 30497412WP306176 Whirlpool Gas Valve13MAY Y31356114MAY 31456615MAY 31408216MAY Y31355917MAY Y30334918MAY Y30338319WP90767 Whirlpool Screw20MAY 30711920MAY Y30850421WP303395 Whirlpool Thermostat22WP338906 Whirlpool Dryer Gas Sensor23MAY Y30336823MAY Y30854824MAY Y30384125MAY Y312890