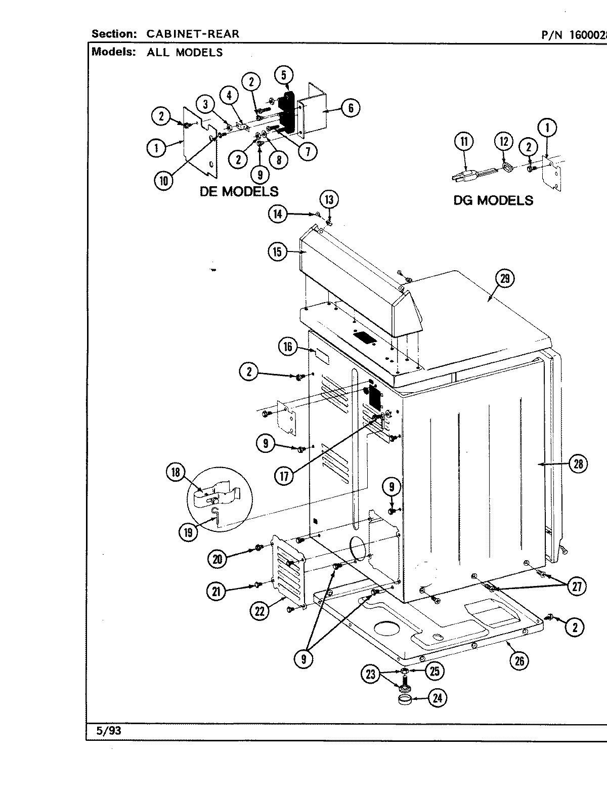
LDG9900AAL 02 – CABINET-REARadmin2025-04-26T09:04:17+00:00LDG9900AAL 02 – CABINET-REAR ProductsPositionProduct1MAY Y3129052MAY Y3135619MAY Y31063211MAY 30252112GROMMET13MAY 21507514MAY 21093215MAY 305193L16INSTRUCTION LABEL17MAY 30384618MAY 30154819WP311155 Whirlpool Wire Assembly20MAY Y31355921WP90767 Whirlpool Screw22MAY Y31295123W10176519 Whirlpool Leveling Feet24WPY314137 Whirlpool Rubber Foot25WP62739 Whirlpool Nut26MAY Y30336127MAY 21307728MAY 307124L29MAY 307104L