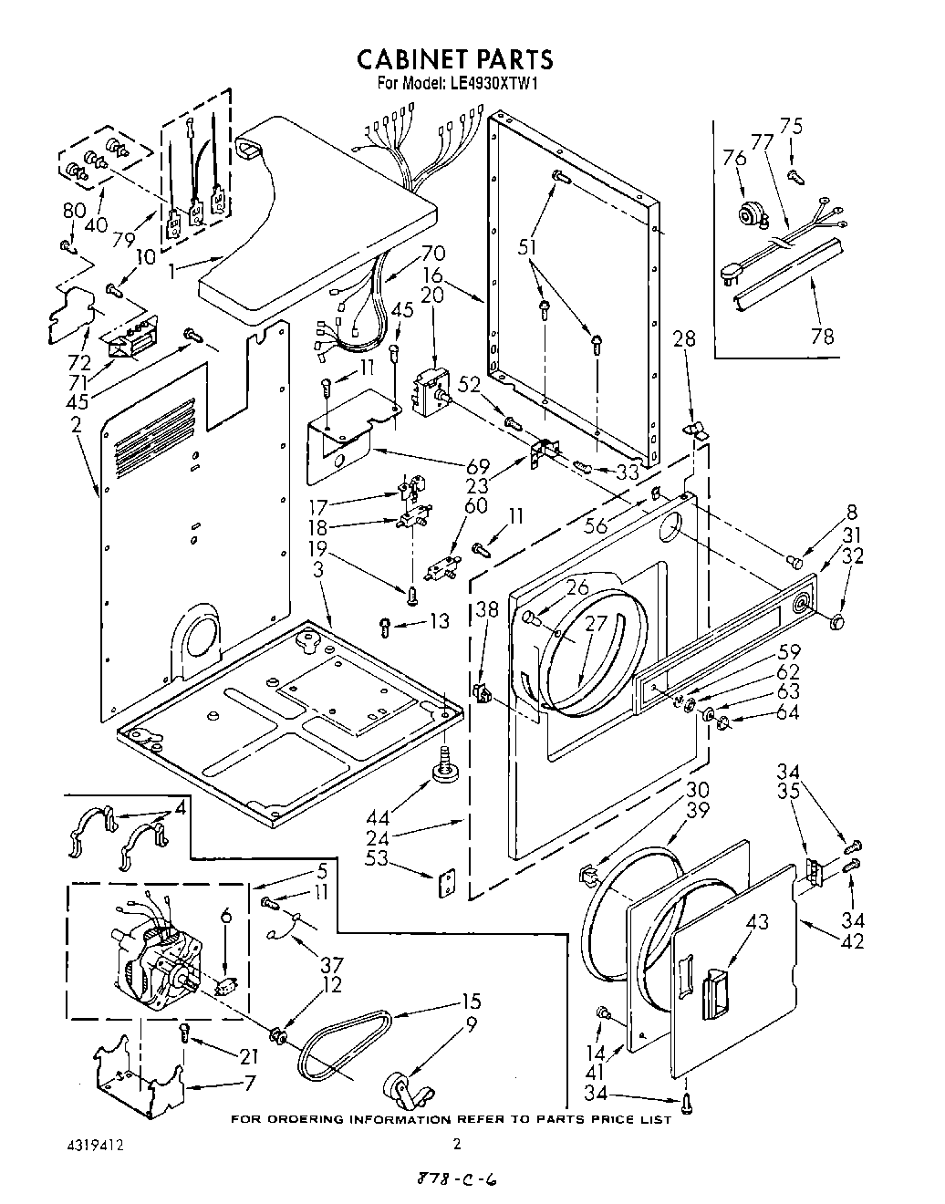
| 1 | 345703 Whirlpool White Maintop |
| 1 | Top (Almond) |
| 2 | Panel, Rear (240 Volt) |
| 3 | WP348726 Whirlpool Base Assembly |
| 4 | WP660658 Whirlpool Clamp |
| 6 | 279827 Whirlpool Dryer Drive Motor |
| 7 | 696541 Whirlpool Base |
| 8 | Rivet, Plastic (4) |
| 9 | WP691366 Whirlpool Dryer Idler Pulley Assembly |
| 11 | SCREW |
| 12 | W10837625 Whirlpool Dryer Motor Pulley |
| 14 | 238614 Whirlpool Bumper Hinge |
| 16 | Panel, Side (Almond) |
| 16 | 3394652 Whirlpool Drum Belt |
| 17 | WP691581 Whirlpool Actuator |
| 18 | W10820036 Whirlpool Door Switch Kit |
| 19 | WP98129 Whirlpool Screw |
| 20 | Timer, 60 Hz. |
| 21 | WP3390631 Whirlpool Screw |
| 23 | 348171 Whirlpool Bracket |
| 24 | xFront Panel Assembly (White) |
| 24 | xFront Panel Assembly (Almond) |
| 26 | 279220 Whirlpool Clip |
| 27 | 279264 Whirlpool Bearing and Seal Kit |
| 28 | WP345670 Whirlpool Lock |
| 30 | WP3389441 Whirlpool Door Catch |
| 31 | Panel, Control |
| 32 | Timer Knob & Skirt Assembly |
| 33 | 303776 Whirlpool Dishwasher Screw |
| 34 | WP694091 Whirlpool Screw |
| 35 | WP348023 Whirlpool Hinge |
| 37 | Wire, Ground |
| 38 | 279570 Whirlpool Dryer Door Latch Kit |
| 39 | W11613302 Whirlpool Door Seal |
| 40 | 279393 Whirlpool Terminal Block Screw and Nut Kit |
| 41 | Door, Rear |
| 42 | Door, Front (White) |
| 42 | Door, Front (Almond) |
| 43 | WP3405184 Whirlpool White Door Handle |
| 43 | Handle, Door (Almond) |
| 44 | WP233550 Whirlpool Leveling Feet |
| 45 | WP308685 Whirlpool Microwave Screw |
| 51 | WP489069 Whirlpool Compactor Screw |
| 52 | WP90767 Whirlpool Screw |
| 53 | W10854425 Whirlpool Dryer Front Panel Bottom Mounting Clip |
| 56 | WP98234 Whirlpool Nut |
| 59 | Lockwasher |
| 60 | Switch, Push-To-Start |
| 62 | Nut, Hex |
| 63 | Ring, Trim |
| 64 | Nut, Knurled |
| 69 | 279304 Whirlpool Block Terminal |
| 70 | Harness, Wiring |
| 71 | 279320 Whirlpool Dryer Rear Terminal Block Kit |
| 72 | W11736322 Whirlpool Cover Assembly |
| 76 | W11712577 Whirlpool Clip |
| 77 | PT220L Whirlpool Dryer Power Cord |
| 78 | Protector Support |
| 78 | WPL 686767 |
| 79 | 279318 Whirlpool Terminal |
| 80 | WP693995 Whirlpool Screw |