| 350930 Whirlpool White Spray Paint |
| Guide, Dryer |
| Instructions, Installation |
| List, Service Parts |
| Use & Care Guide |
| Almond (Uncut) |
| Leveler (Thinner) |
| WP72107 Whirlpool Touchup |
| 799344 Whirlpool Refrigerator Paint |
| 72017 Whirlpool Appliance Touch-Up Paint White |
| 350956 Whirlpool Spray Assembly |
| 350938 Whirlpool Spray Gun |
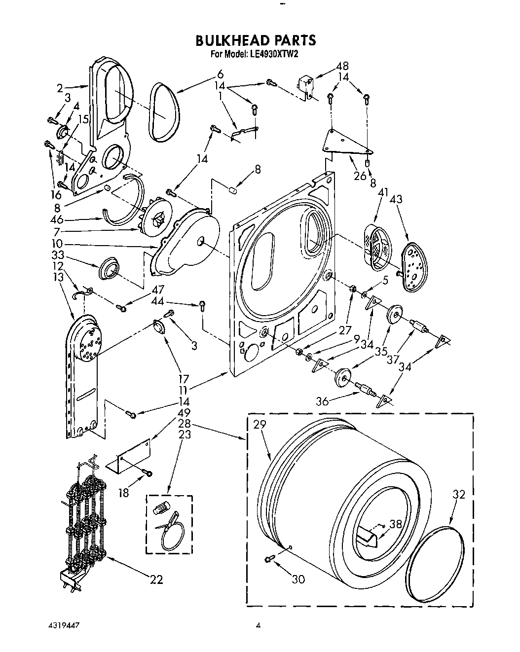
| 1 | 345396 Whirlpool Clip |
| 2 | Air Duct Assembly |
| 3 | WP90767 Whirlpool Screw |
| 4 | WP694674 Whirlpool Cycling Thermostat |
| 5 | Washer, Support |
| 6 | SEAL |
| 7 | WP696426 Whirlpool Wheel |
| 8 | W10491983 Whirlpool Tine Tip |
| 9 | WP3388703 Whirlpool Washer |
| 10 | 696419 Whirlpool Housing |
| 11 | 279848 Whirlpool Bulkhead |
| 12 | 279771 Whirlpool Clip |
| 13 | Box, Heater |
| 15 | WP3392519 Whirlpool Dryer Thermal Fuse |
| 16 | WP965173 Whirlpool Dishwasher Screw |
| 17 | THRMST-FIX |
| 22 | Element, Heater |
| 23 | 279457 Whirlpool Dryer Heating Element Wide Spade Connection |
| 26 | Gusset (2) |
| 27 | WP358160 Whirlpool Nut |
| 28 | 3391834 Whirlpool Drum |
| 29 | SEAL |
| 30 | Screw, 11-16 x 7/8 |
| 32 | WP3394508 Whirlpool Bearing Ring |
| 33 | W11233063 Whirlpool Shield Assembly |
| 34 | WPW10512946 Whirlpool Dryer Tri-Ring Drum Roller |
| 35 | 349241T Whirlpool Dryer Drum Support Roller Kit |
| 36 | SHAFT SUPPORT ROLLER DRYER |
| 37 | SHAFT SUPPORT ROLLER DRYER |
| 38 | 685207 Whirlpool Dryer Baffle |
| 41 | W10828351 Whirlpool Dryer Filter Lint Screen with Cover |
| 44 | WP3390631 Whirlpool Screw |
| 46 | Seal, Air Duct |
| 47 | SCREW |
| 48 | WP694419 Whirlpool Buzzer Adjuster |
| 49 | Reflector, Heat |