LE5320XTW0 03 – SECTION

LE5320XTW0 03 – SECTION

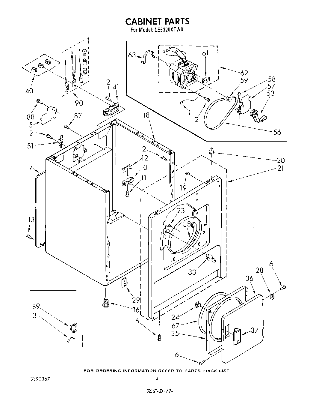
Products

PositionProduct
1Wire, Ground (Motor)
2WP308685 Whirlpool Microwave Screw
5W11736322 Whirlpool Cover Assembly
6WP694091 Whirlpool Screw
7Panel, Rear
10W10820036 Whirlpool Door Switch Kit
11WP98129 Whirlpool Screw
12WP691581 Whirlpool Actuator
13WP489069 Whirlpool Compactor Screw
1649621 Whirlpool Leveling Feet
18Cabinet (White)
18Cabinet (Platinum)
18Cabinet (Almond)
18Cabinet (Toast)
18Cabinet (Golden Harvest)
19WP98234 Whirlpool Nut
20WP18776 Whirlpool Lock
21Upper Front Panel Assembly (Platinum)
21Front Panel (Almond)
21Front Panel Assembly (Also Includes Illus. 19) (Golden Harvest)
21Front Panel (White)
21Upper Front Panel Assembly (Toast)
23279220 Whirlpool Clip
24WP3389441 Whirlpool Door Catch
28WP348023 Whirlpool Hinge
29W10854425 Whirlpool Dryer Front Panel Bottom Mounting Clip
318528351 Whirlpool Clip
33279570 Whirlpool Dryer Door Latch Kit
35280077 Whirlpool Door
36WP348205 Whirlpool Door
36Door, Front (Almond)
36WPL 689319
36Door, Front (Toast)
36Door, Front (Platinum)
37WPL 689586
37Handle, D
37WP686711 Whirlpool Door Handle
37Handle, Door (Almond)
38279264 Whirlpool Bearing and Seal Kit
40279393 Whirlpool Terminal Block Screw and Nut Kit
41279320 Whirlpool Dryer Rear Terminal Block Kit
51WP8066217 Whirlpool Hinge
53WP691366 Whirlpool Dryer Idler Pulley Assembly
56341241 Whirlpool Dryer Drum Belt
57WP348780 Whirlpool Base
583400500 Whirlpool Screw
59WP8066184 Whirlpool Dryer Motor Pulley
61279827 Whirlpool Dryer Drive Motor
63WP660658 Whirlpool Clamp
67W11613302 Whirlpool Door Seal
87SCREW
88WP693995 Whirlpool Screw
89Clip, Harness (Rear Bulkhead Area)
90279318 Whirlpool Terminal