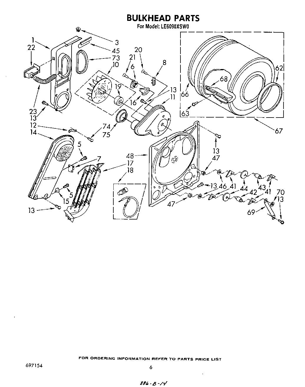
| 1 | Lint Chute |
| 3 | 98460 Whirlpool Nut |
| 5 | WP90767 Whirlpool Screw |
| 6 | WP694674 Whirlpool Cycling Thermostat |
| 7 | 279769 Whirlpool Dryer Thermal Cut-Off Fuse Kit |
| 8 | WP3392519 Whirlpool Dryer Thermal Fuse |
| 10 | WP694089 Whirlpool Dryer Blower Wheel |
| 11 | Housing, Blower |
| 12 | 279771 Whirlpool Clip |
| 13 | SCREW |
| 14 | Box, Heater |
| 15 | WP3390291 Whirlpool High Limit Thermostat |
| 16 | Heater, Thermostat |
| 17 | WP4391960 Whirlpool Dryer Heating Element |
| 18 | 279457 Whirlpool Dryer Heating Element Wide Spade Connection |
| 19 | Seal, Blower |
| 20 | WP965173 Whirlpool Dishwasher Screw |
| 21 | WP488729 Whirlpool Refrigerator Door Screw |
| 22 | Alert, Lint |
| 23 | Hose, Differential |
| 41 | WPW10512946 Whirlpool Dryer Tri-Ring Drum Roller |
| 42 | SHAFT SUPPORT ROLLER DRYER |
| 43 | SHAFT SUPPORT ROLLER DRYER |
| 44 | 349241T Whirlpool Dryer Drum Support Roller Kit |
| 45 | 686770 Whirlpool Support Bracket |
| 46 | WP348197 Whirlpool Washer Assembly |
| 47 | WP358160 Whirlpool Nut |
| 48 | Bulkhead |
| 62 | WP3394509 Whirlpool Bearing Ring |
| 63 | Screw, 11-16 x 7/8 |
| 66 | 239087 Whirlpool Dryer Rear Drum Seal Green Stitches |
| 67 | 697760 Whirlpool Drum Assembly Primary OS2 |
| 68 | WP342847 Whirlpool Drum Baffle |
| 69 | Bracket, Support |
| 70 | WP90296 Whirlpool Clip |
| 73 | SEAL |
| 75 | W11233063 Whirlpool Shield Assembly |