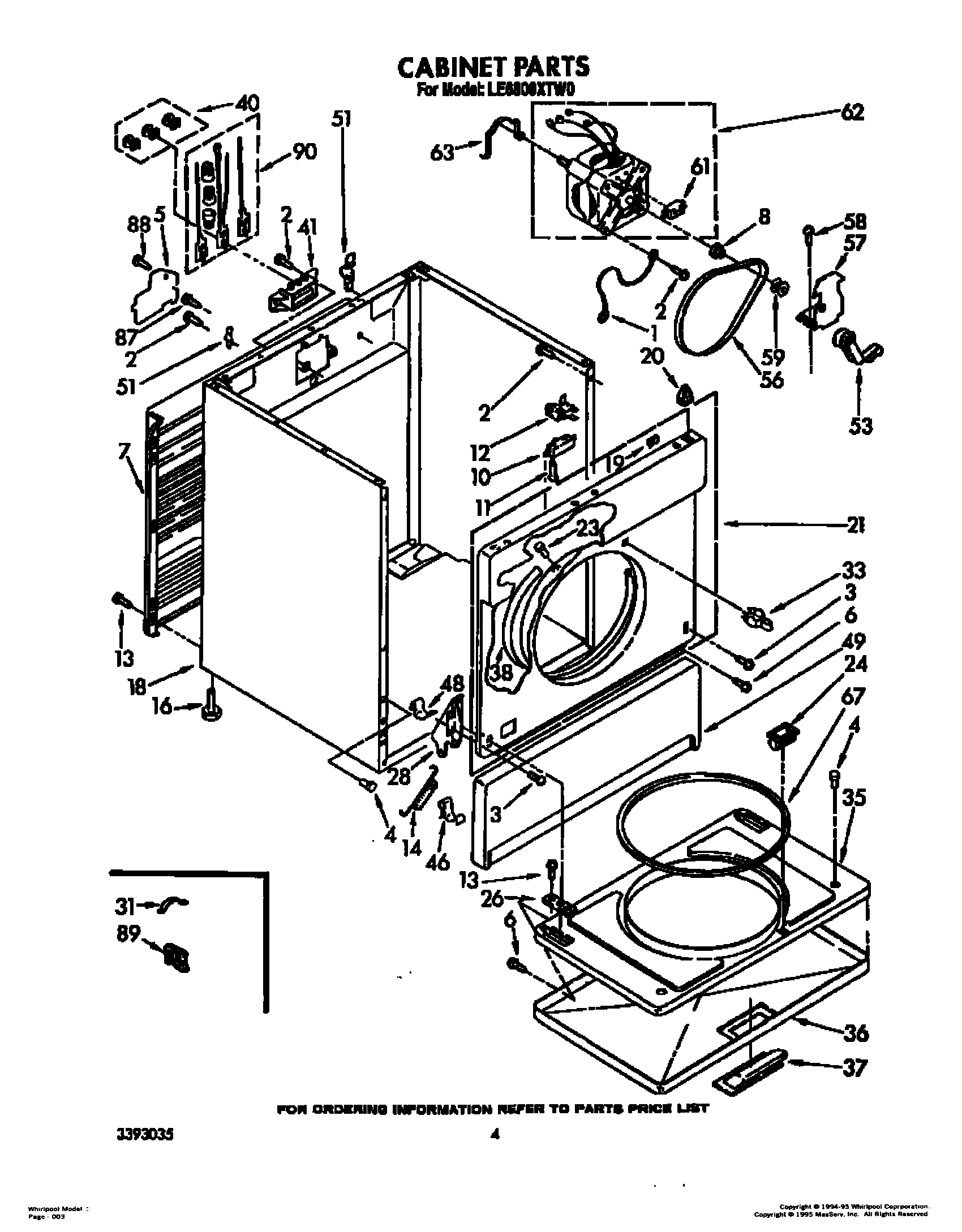
LE6800XTW0 03 – CABINET

LE6800XTW0 03 – CABINET

Products

PositionProduct
1Wire, Ground (Motor)
2WP308685 Whirlpool Microwave Screw
3Screw, 10-32 x 1/2
4238614 Whirlpool Bumper Hinge
5W11736322 Whirlpool Cover Assembly
6WP694091 Whirlpool Screw
7Panel, Rear
8WP3393657 Whirlpool Belt Retainer
10W10820036 Whirlpool Door Switch Kit
11WP98129 Whirlpool Screw
12WP691581 Whirlpool Actuator
14Spring, Door (2)
1649621 Whirlpool Leveling Feet
18Cabinet (Almond)
18Cabinet (Golden Harvest)
18Cabinet (White)
19WP98234 Whirlpool Nut
20WP18776 Whirlpool Lock
21Front Panel Assembly (White)
21Front Panel Assembly (Almond)
21Front Panel Assembly (New Gold)
23279220 Whirlpool Clip
24279570 Whirlpool Dryer Door Latch Kit
26W11252547 Whirlpool Clip Assembly
28Hinge, L.H.
28Hinge, R.H.
318528351 Whirlpool Clip
35Door, Rear
36Door, Front (White)
36Door, Front (Almond)
36Door, Front (Golden Harvest)
37Handle, Door (Almond)
37Handle, Door (New Gold)
37WP348721 Whirlpool Handle
38279264 Whirlpool Bearing and Seal Kit
40279393 Whirlpool Terminal Block Screw and Nut Kit
41279320 Whirlpool Dryer Rear Terminal Block Kit
46WP3388229 Whirlpool Dryer Spring Clip
48WP297092 Whirlpool Clip
49Panel, Toe (White)
49Panel, Toe (Almond)
49Toe Panel (Golden Harvest)
51WP8066217 Whirlpool Hinge
53WP691366 Whirlpool Dryer Idler Pulley Assembly
56341241 Whirlpool Dryer Drum Belt
57WP348780 Whirlpool Base
583400500 Whirlpool Screw
59WP8066184 Whirlpool Dryer Motor Pulley
61279827 Whirlpool Dryer Drive Motor
63WP660658 Whirlpool Clamp
67WP3390733 Whirlpool Door Seal Assembly
87W10850756 Whirlpool Screw
88WP693995 Whirlpool Screw
89Clip, Harness (Rear Bulkhead Area)
90279318 Whirlpool Terminal