LE6805XPW0 03 – SECTION

LE6805XPW0 03 – SECTION

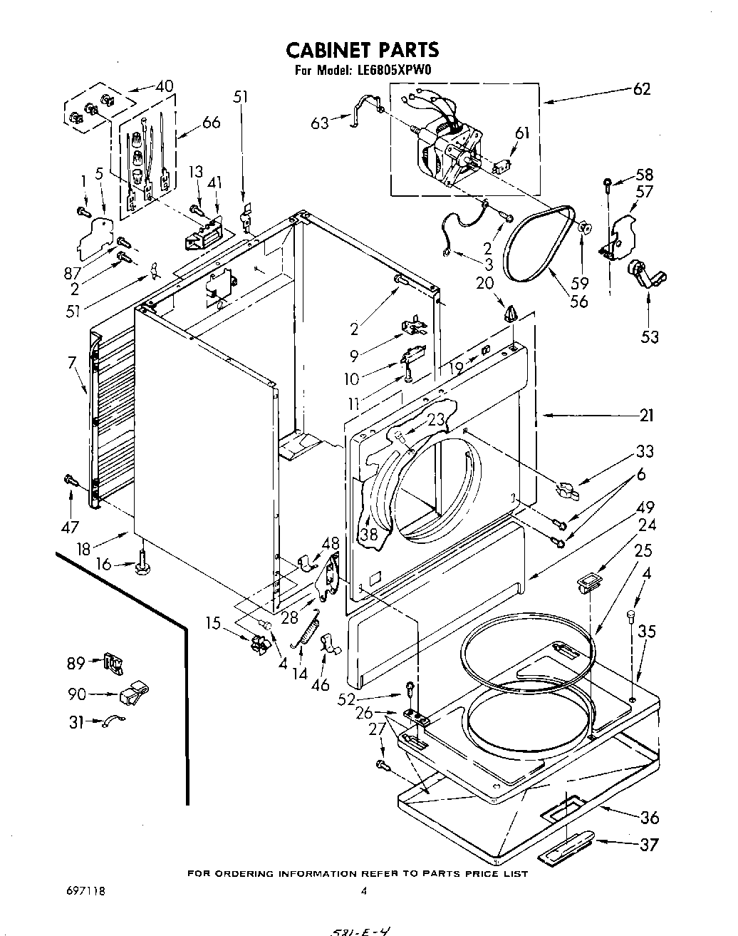
Products

PositionProduct
1WP693995 Whirlpool Screw
2SCREW
3Wire, Ground (Motor)
4238614 Whirlpool Bumper Hinge
5W11736322 Whirlpool Cover Assembly
6Screw, 10-32 x 1/2
7Panel, Rear
9WP691581 Whirlpool Actuator
10W10820036 Whirlpool Door Switch Kit
11WP98129 Whirlpool Screw
13WP308685 Whirlpool Microwave Screw
14Spring, Door (2)
15Clip, Toe Panel (2)
1649621 Whirlpool Leveling Feet
18Cabinet (White)
18Cabinet (Almond)
18Cabinet (Platinum)
18Cabinet (Toast)
18Cabinet (Golden Harvest)
19WP98234 Whirlpool Nut
20WP18776 Whirlpool Lock
21Front Panel Assembly (Toast)
21Front Panel Assembly (Platinum)
21Front Panel Assembly (White)
21Front Panel Assembly (New Gold)
21Front Panel Assembly (Almond)
23279220 Whirlpool Clip
24279570 Whirlpool Dryer Door Latch Kit
25WP3390733 Whirlpool Door Seal Assembly
26W11252547 Whirlpool Clip Assembly
27WP694091 Whirlpool Screw
28Hinge, L.H.
28Hinge, R.H.
318528351 Whirlpool Clip
35Door, Rear
36Door, Front (Toast)
36Door, Front (Almond)
36Door, Front
36Door, Front (Golden Harvest)
36Door, Front (White)
37Handle (Almond)
37Handle (Golden Harvest)
37WPL 695016
37WPL 695017
37WP348721 Whirlpool Handle
38279264 Whirlpool Bearing and Seal Kit
40279393 Whirlpool Terminal Block Screw and Nut Kit
41279320 Whirlpool Dryer Rear Terminal Block Kit
46WPL 341776
47WP489069 Whirlpool Compactor Screw
48WP297092 Whirlpool Clip
49WPL 695000
49Panel, Toe (Golden Harvest)
49WPL 694999
49Panel, Toe (Almond)
49Panel, Toe (White)
51WP8066217 Whirlpool Hinge
53WP691366 Whirlpool Dryer Idler Pulley Assembly
56341241 Whirlpool Dryer Drum Belt
57WP348780 Whirlpool Base
583400500 Whirlpool Screw
59WP8066184 Whirlpool Dryer Motor Pulley
61279827 Whirlpool Dryer Drive Motor
63WP660658 Whirlpool Clamp
66279318 Whirlpool Terminal
89Clip, Harness (Rear Bulkhead Area)
90Clip, Retainer