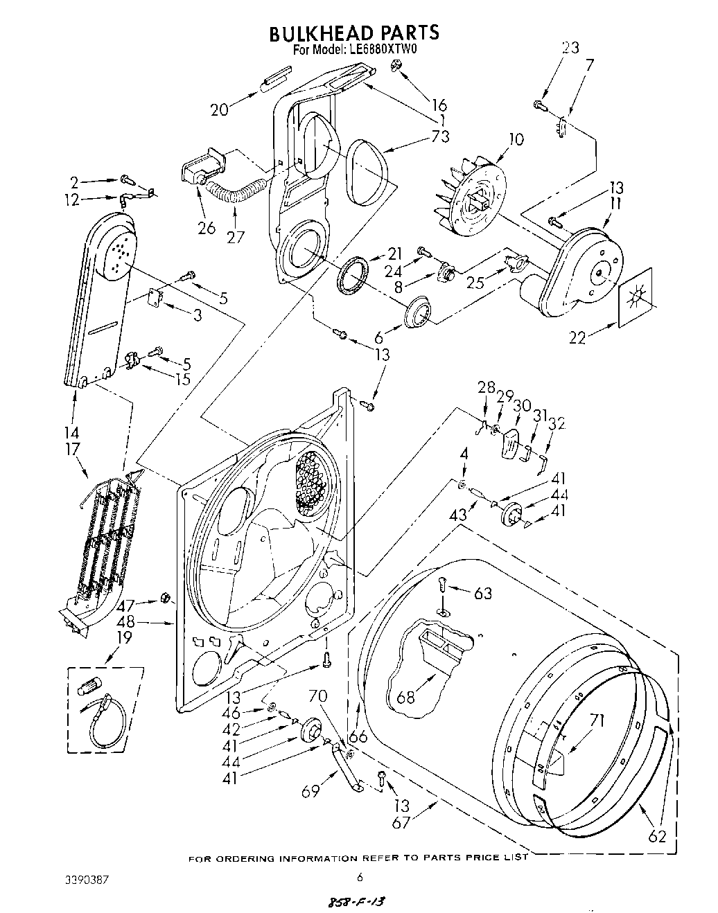
LE6880XTG0 04 – SECTION