LE7000XPW0 03 – SECTION

LE7000XPW0 03 – SECTION

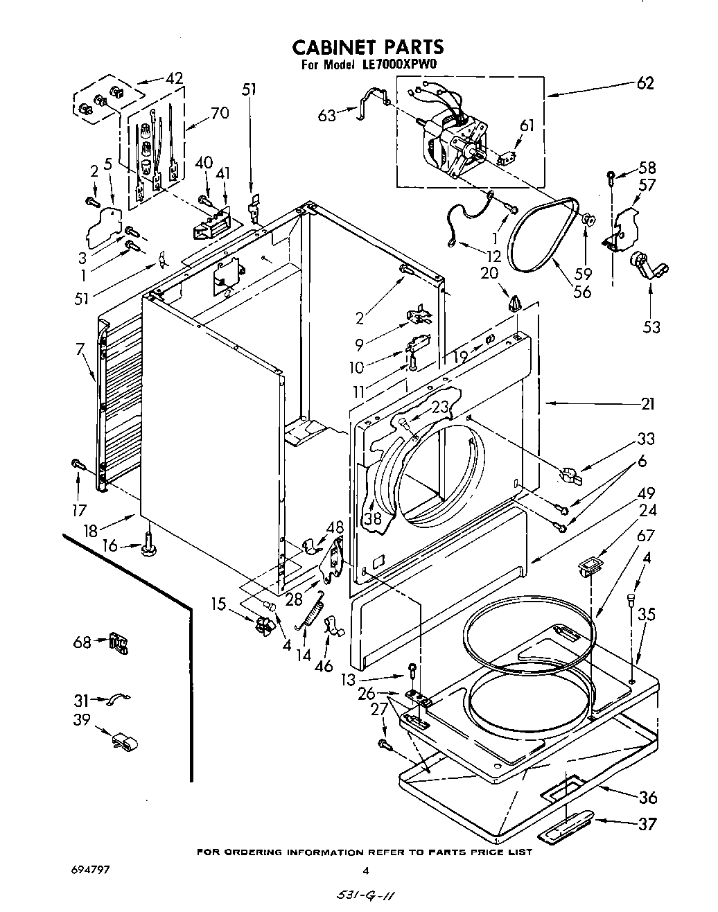
Products

PositionProduct
1SCREW
2WP693995 Whirlpool Screw
4238614 Whirlpool Bumper Hinge
5W11736322 Whirlpool Cover Assembly
6Screw, 10-32 x 1/2
7Panel, Rear
9WP691581 Whirlpool Actuator
10W10820036 Whirlpool Door Switch Kit
11WP98129 Whirlpool Screw
12Wire, Ground (Motor)
14Spring, Door (2)
15Clip, Toe Panel
1649621 Whirlpool Leveling Feet
17WP489069 Whirlpool Compactor Screw
18Cabinet (Almond)
18Cabinet (Platinum)
18Cabinet (Toast)
18Cabinet (White)
18Cabinet (Golden Harvest)
19WP98234 Whirlpool Nut
20WP18776 Whirlpool Lock
21Front Panel Assembly (New Gold)
21Front Panel Assembly (Platinum)
21Front Panel Assembly (Toast)
21Front Panel Assembly (White)
21Front Panel Assembly (Almond)
23279220 Whirlpool Clip
24279570 Whirlpool Dryer Door Latch Kit
26W11252547 Whirlpool Clip Assembly
27WP694091 Whirlpool Screw
28Hinge, L.H.
28Hinge, R.H.
318528351 Whirlpool Clip
35Door, Panel (White)
35Door, Panel (Golden Harvest)
35Door, Rear (Toast)
35Door, Rear (Platinum)
35Door, Panel (Almond)
36Door, Front (Almond)
36Door, Front (Golden Harvest)
36Door, Front
36Door, Front (Toast)
36Door, Front (White)
37Handle (Almond)
37WP348721 Whirlpool Handle
37WPL 695017
37WPL 695016
37Handle (Golden Harvest)
38279264 Whirlpool Bearing and Seal Kit
39Clip, Retainer
40WP308685 Whirlpool Microwave Screw
41279320 Whirlpool Dryer Rear Terminal Block Kit
42279393 Whirlpool Terminal Block Screw and Nut Kit
46WPL 341776
48WP297092 Whirlpool Clip
49Panel, Toe (White)
49Panel, Toe (Almond)
49Panel, Toe (Golden Harvest)
49WPL 694999
49WPL 695000
51WP8066217 Whirlpool Hinge
53WP691366 Whirlpool Dryer Idler Pulley Assembly
56341241 Whirlpool Dryer Drum Belt
57WP348780 Whirlpool Base
583400500 Whirlpool Screw
59WP8066184 Whirlpool Dryer Motor Pulley
61279827 Whirlpool Dryer Drive Motor
63WP660658 Whirlpool Clamp
67WP3390733 Whirlpool Door Seal Assembly
68Clip, Harness (Rear Bulkhead Area)
70279318 Whirlpool Terminal