| 350930 Whirlpool White Spray Paint |
| List, Service Parts |
| Washer (Belt Drive) |
| 72110 Whirlpool Dryer Touch-Up Paint, Golden Harvest 6 Oz |
| WPL LIT677967 |
| Golden Harvest |
| Golden Harvest (Uncut) |
| WPL LIT677971 |
| Literature Parts (Do-It-Yourself Manual 07-03 Litho In U.S.A. (bd)) |
| Guide, Dryer |
| Dryer |
| Use & Care Guide |
| 350938 Whirlpool Spray Gun |
| 350956 Whirlpool Spray Assembly |
| 72017 Whirlpool Appliance Touch-Up Paint White |
| 799344 Whirlpool Refrigerator Paint |
| WP72107 Whirlpool Touchup |
| Leveler (Thinner) |
| Almond (Uncut) |
| Instructions, Installation |
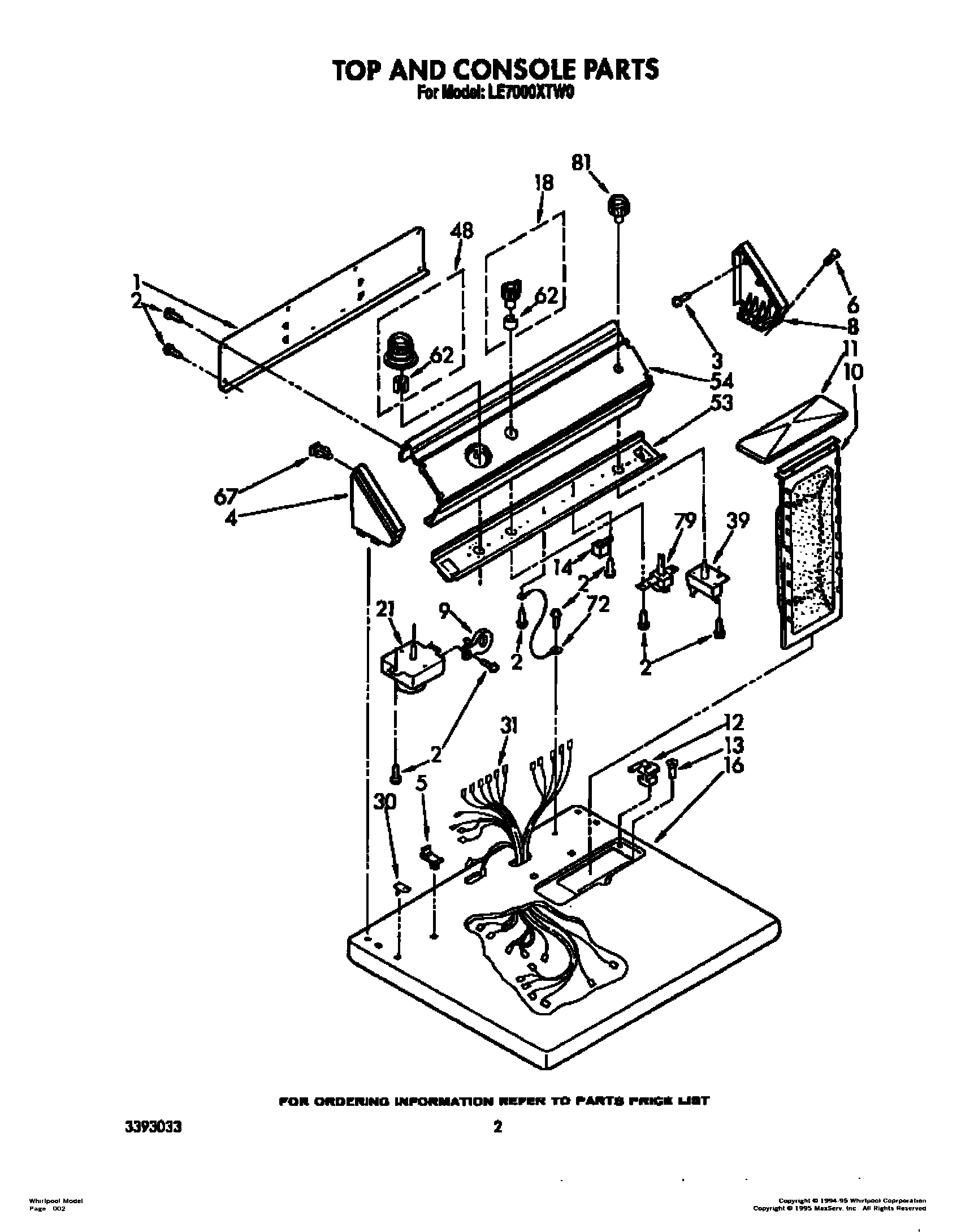
| 1 | Panel, Rear |
| 2 | SCREW |
| 3 | WPL 355326 |
| 4 | Cap, End (L.H.) |
| 5 | Stop, Push-In Top |
| 6 | WPL 64211 |
| 8 | WPL 63795 |
| 9 | 279872 Whirlpool Resistor |
| 10 | 339392V Whirlpool Dryer Lint Filter Screen |
| 11 | Cover, Lint Screen (Golden Harvest) |
| 11 | Cover, Lint Screen (Almond) |
| 11 | Cover, Lint Screen (White) |
| 12 | WPW10044470 Whirlpool Hinge Assembly |
| 12 | WPW10044480 Whirlpool Hinge Assembly |
| 13 | W11693756 Whirlpool Screw Assembly |
| 14 | WP694419 Whirlpool Buzzer Adjuster |
| 16 | Top (Almond) |
| 16 | Top (White) |
| 16 | Top (Golden Harvest) |
| 18 | Control Knob, Temperature |
| 21 | WP3394762 Whirlpool Timer |
| 30 | Nut, Push-In (2) |
| 31 | Harness, Wiring |
| 39 | Relay, Push-To-Start |
| 48 | Timer Knob Assembly |
| 53 | Bracket, Control |
| 54 | Panel, Control |
| 62 | WP688805 Whirlpool Spring Clip |
| 67 | WP689559 Whirlpool Nut |
| 72 | Wire, Ground |
| 79 | Switch, Temperature (Variable) |
| 81 | Knob, Push-To-Start |