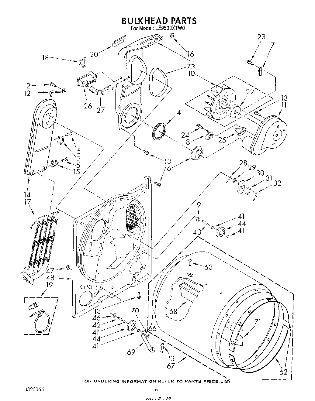
LE9500XTN0 04 – SECTION