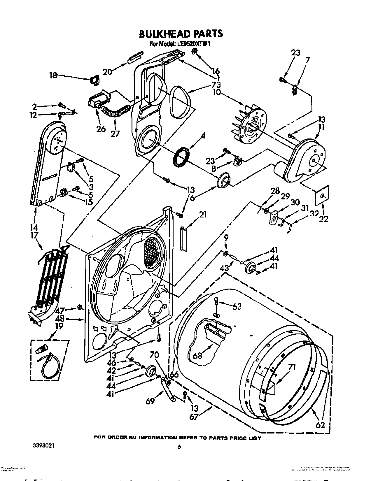
LE9520XTW1 04 – BULKHEAD PARTSadmin2025-04-26T12:16:06+00:00LE9520XTW1 04 – BULKHEAD PARTS ProductsPositionProduct1Lint Chute Assembly3279769 Whirlpool Dryer Thermal Cut-Off Fuse Kit4W11415783 Whirlpool Seal5WP90767 Whirlpool Screw6W11233063 Whirlpool Shield Assembly7WP3392519 Whirlpool Dryer Thermal Fuse8WP3387134 Whirlpool Dryer Cycling Thermostat9WP3388703 Whirlpool Washer10WP694089 Whirlpool Dryer Blower Wheel11Housing, Blower12279771 Whirlpool Clip13SCREW14Box, Heater15WP3390291 Whirlpool High Limit Thermostat1698460 Whirlpool Nut17WP4391960 Whirlpool Dryer Heating Element18Clip, Harness (Rear Bulkhead Area)19279457 Whirlpool Dryer Heating Element Wide Spade Connection20686770 Whirlpool Support Bracket21686889 Whirlpool Pad22Seal, Blower23WP965173 Whirlpool Dishwasher Screw26Alert, Lint27Hose, Differential28WP342267 Whirlpool Clip29WP298877 Whirlpool Washer30SENSOR KIT31WP348859 Whirlpool Electrode Assembly32WP348860 Whirlpool Electrode41WPW10512946 Whirlpool Dryer Tri-Ring Drum Roller42SHAFT SUPPORT ROLLER DRYER43SHAFT SUPPORT ROLLER DRYER44349241T Whirlpool Dryer Drum Support Roller Kit46WP348197 Whirlpool Washer Assembly47WP358160 Whirlpool Nut48Bulkhead62279441 Whirlpool Front Bearing Ring63Screw, 11-16 x 7/866279408 Whirlpool Dryer Rear Drum Seal67W10899578 Whirlpool Dryer Drum Assembly68BAFFLE-DRM69W11684613 Whirlpool Bracket70WP90296 Whirlpool Clip71WP3403636 Whirlpool Drum Baffle73SEAL