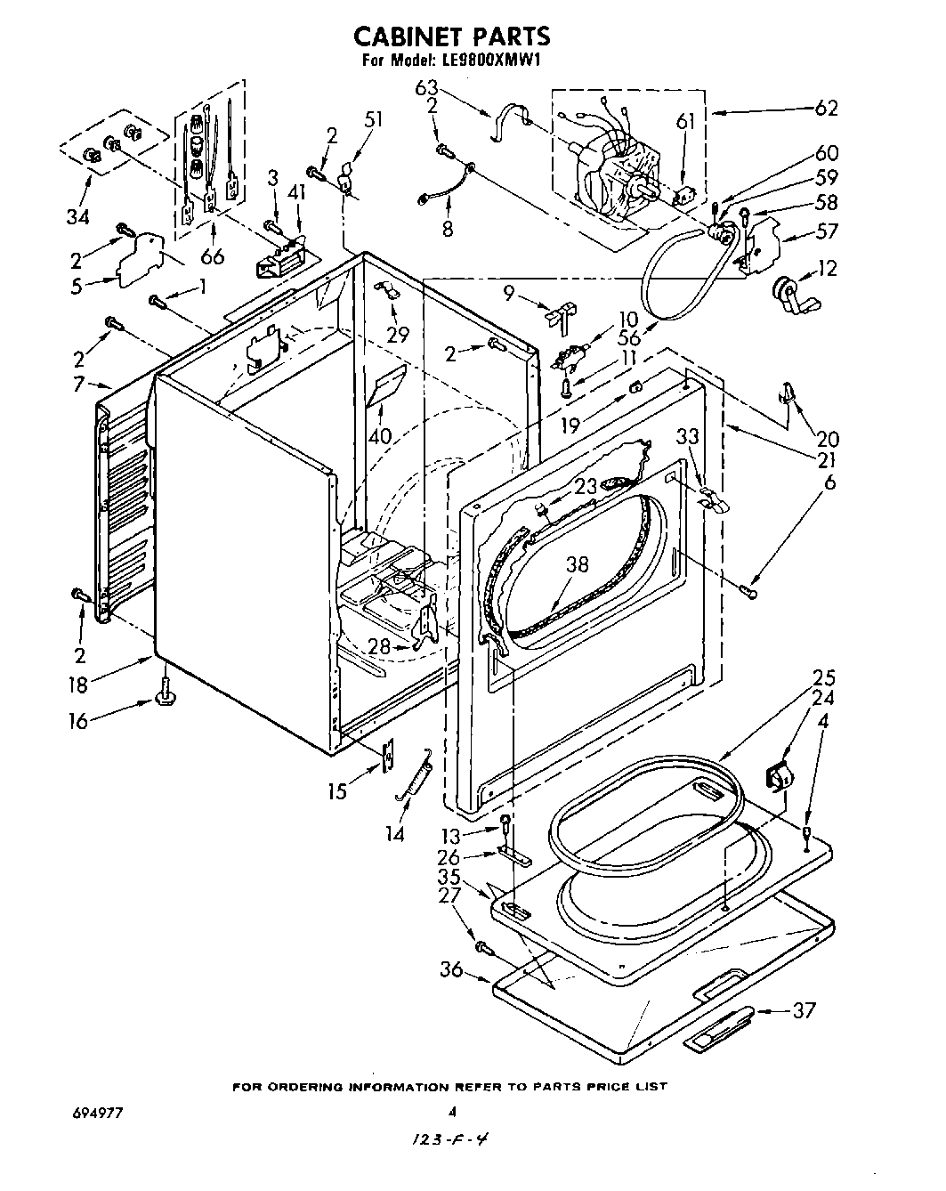
| 2 | SCREW |
| 3 | WP308685 Whirlpool Microwave Screw |
| 4 | 238614 Whirlpool Bumper Hinge |
| 5 | W11736322 Whirlpool Cover Assembly |
| 6 | Screw, 10-32 x 1/2 |
| 7 | Panel, Rear |
| 8 | Wire, Ground (Motor) |
| 9 | WP691581 Whirlpool Actuator |
| 10 | Switch, Door |
| 11 | WP98129 Whirlpool Screw |
| 12 | WP691366 Whirlpool Dryer Idler Pulley Assembly |
| 14 | WPW10041960 Whirlpool Door Spring |
| 15 | W10854425 Whirlpool Dryer Front Panel Bottom Mounting Clip |
| 16 | 49621 Whirlpool Leveling Feet |
| 18 | Cabinet (Platinum) |
| 18 | cabinet (toast) |
| 18 | Cabinet (Harvest Wheat) |
| 18 | Cabinet (White) |
| 18 | Cabinet (Almond) |
| 19 | WP98234 Whirlpool Nut |
| 20 | WP18776 Whirlpool Lock |
| 21 | Panel, Front (Platinum) |
| 21 | 279443 Whirlpool Primary Panel |
| 21 | Panel, Front (Almond) |
| 21 | Panel, Front (Golden Harvest) |
| 21 | Panel, Front (Toast) |
| 23 | 279220 Whirlpool Clip |
| 24 | 279570 Whirlpool Dryer Door Latch Kit |
| 25 | W10906683 Whirlpool Door Seal |
| 26 | W11252547 Whirlpool Clip Assembly |
| 27 | WP694091 Whirlpool Screw |
| 28 | WP8066056 Whirlpool Door Hinge |
| 28 | WP8066057 Whirlpool Door Hinge |
| 29 | 8528351 Whirlpool Clip |
| 34 | 279393 Whirlpool Terminal Block Screw and Nut Kit |
| 35 | WP695737 Whirlpool Door |
| 36 | door, front (toast) |
| 36 | door, front (harvest wheat) |
| 36 | Door, Front (Almond) |
| 36 | Door, Front (Platinum) |
| 36 | WP3393549 Whirlpool Door Assembly |
| 37 | Handle, Door (Toast) |
| 37 | WP348721 Whirlpool Handle |
| 37 | Handle (Almond) |
| 37 | Handle, Door (Platinum) |
| 37 | Handle (Golden Harvest) |
| 38 | W11035878 Whirlpool Bearing and Seal |
| 40 | Shield, Light |
| 41 | 279320 Whirlpool Dryer Rear Terminal Block Kit |
| 51 | WP8066217 Whirlpool Hinge |
| 56 | 341241 Whirlpool Dryer Drum Belt |
| 57 | WP348780 Whirlpool Base |
| 58 | 3400500 Whirlpool Screw |
| 59 | WPL 348946 |
| 60 | SCREW, SET |
| 61 | 279827 Whirlpool Dryer Drive Motor |
| 63 | WP660658 Whirlpool Clamp |