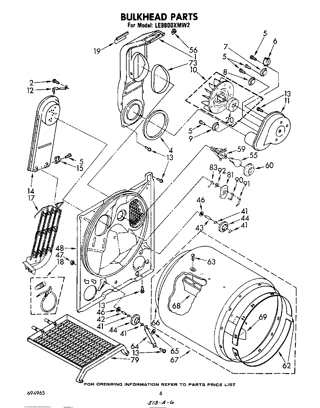
LE9800XMW2 04 – SECTION