LE9800XPN1 03 – CABINET

LE9800XPN1 03 – CABINET

Products

PositionProduct
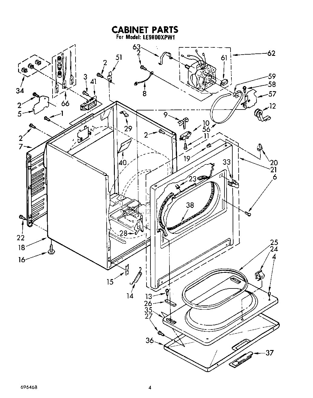
1SCREW
2WP693995 Whirlpool Screw
3WP308685 Whirlpool Microwave Screw
4238614 Whirlpool Bumper Hinge
5W11736322 Whirlpool Cover Assembly
6Screw, 10-32 x 1/2
7Panel, Rear
8Wire, Ground (Motor)
9WP691581 Whirlpool Actuator
10Switch, Door
11WP98129 Whirlpool Screw
12WP691366 Whirlpool Dryer Idler Pulley Assembly
14WPW10041960 Whirlpool Door Spring
15W10854425 Whirlpool Dryer Front Panel Bottom Mounting Clip
1649621 Whirlpool Leveling Feet
18Cabinet (White)
18Cabinet (Almond)
18Cabinet (Harvest Wheat)
18Cabinet (Platinum)
18cabinet (toast)
19WP98234 Whirlpool Nut
20WP18776 Whirlpool Lock
21279443 Whirlpool Primary Panel
21Panel, Front (Almond)
21Panel, Front (Golden Harvest)
21Panel, Front (Toast)
21Panel, Front (Platinum)
22WP489069 Whirlpool Compactor Screw
23279220 Whirlpool Clip
24279570 Whirlpool Dryer Door Latch Kit
25W10906683 Whirlpool Door Seal
26W11252547 Whirlpool Clip Assembly
27WP694091 Whirlpool Screw
28WP8066056 Whirlpool Door Hinge
28WP8066057 Whirlpool Door Hinge
298528351 Whirlpool Clip
34279393 Whirlpool Terminal Block Screw and Nut Kit
35WP695737 Whirlpool Door
36Door, Front (Almond)
36door, front (toast)
36Door, Front (Platinum)
36door, front (harvest wheat)
36WP3393549 Whirlpool Door Assembly
37Handle (Golden Harvest)
37WPL 695016
37WPL 695017
37Handle (Almond)
37WP348721 Whirlpool Handle
38W11035878 Whirlpool Bearing and Seal
40Shield, Light
41279320 Whirlpool Dryer Rear Terminal Block Kit
51WP8066217 Whirlpool Hinge
56341241 Whirlpool Dryer Drum Belt
57WP348780 Whirlpool Base
583400500 Whirlpool Screw
59W10837625 Whirlpool Dryer Motor Pulley
61279827 Whirlpool Dryer Drive Motor
63WP660658 Whirlpool Clamp
66279318 Whirlpool Terminal