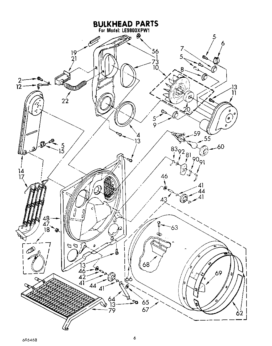
LE9800XPN1 04 – BULKHEAD