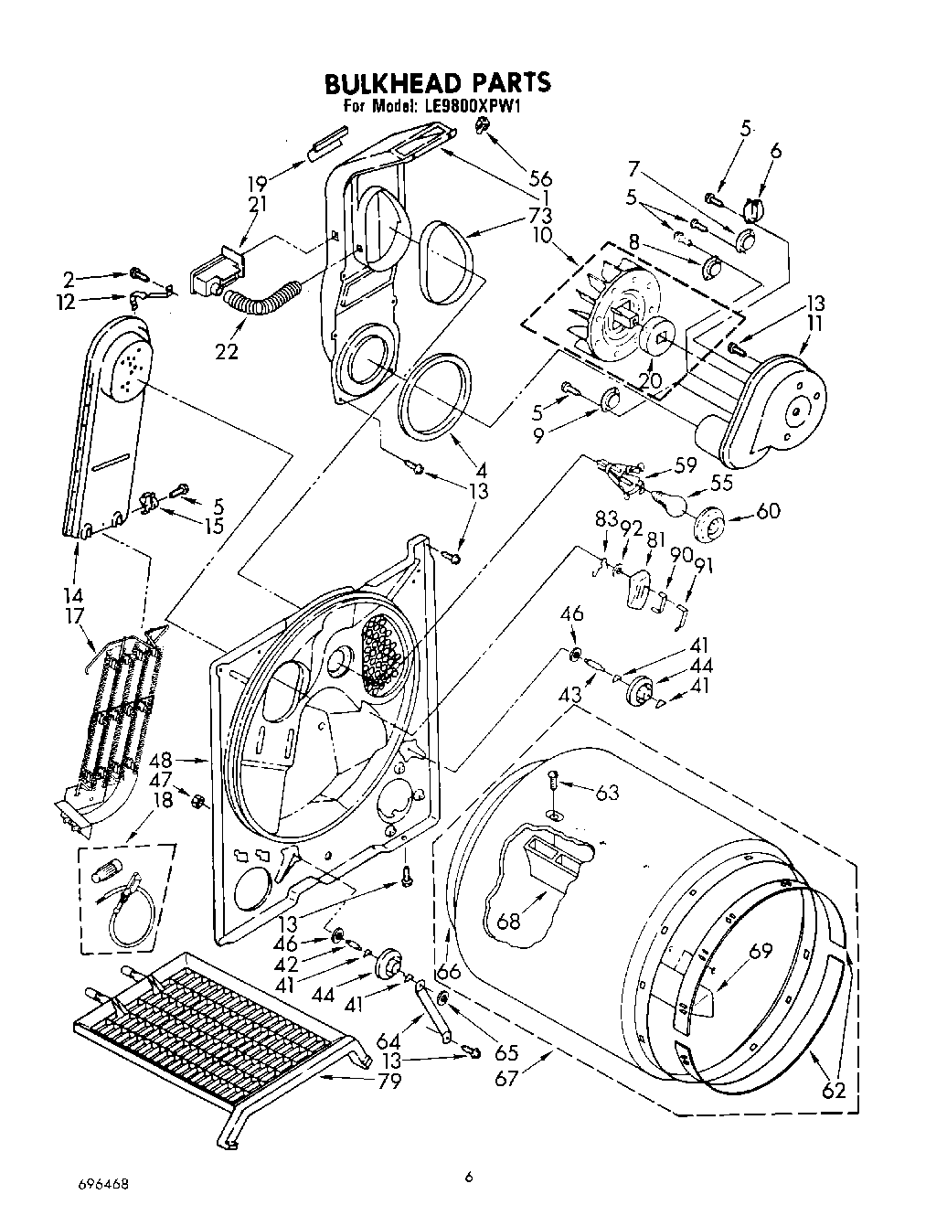
LE9800XPT1 04 – BULKHEAD