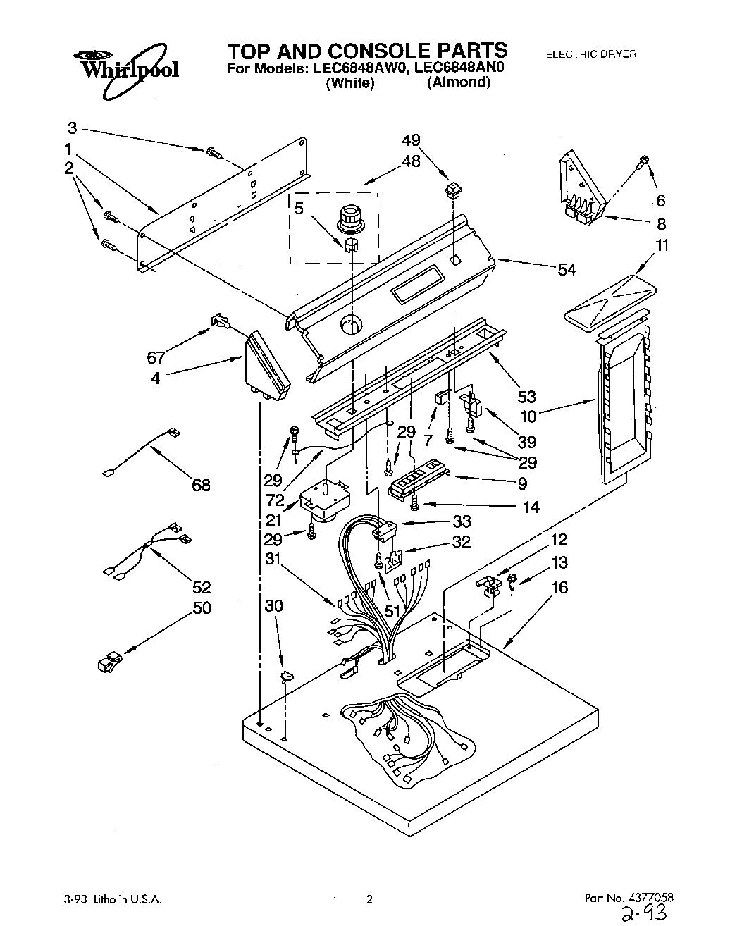
LEC6848AW0 01 – SECTION