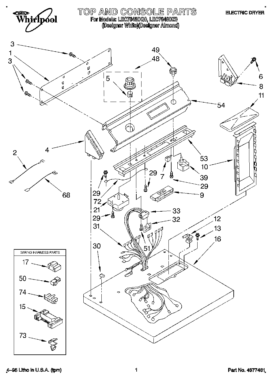
LEC7848DZ0 01 – SECTION

LEC7848DZ0 01 – SECTION