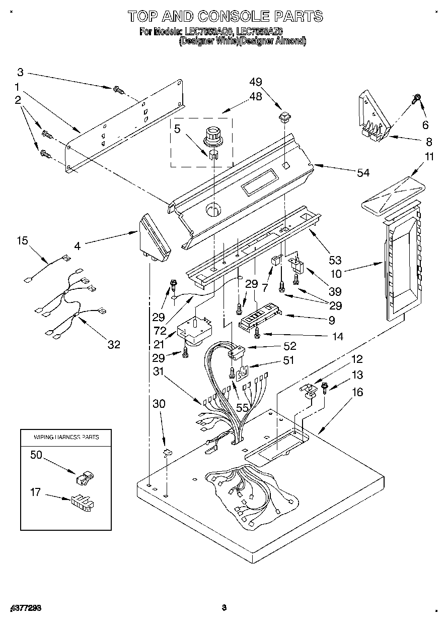
LEC7858AZ0 02 – SECTION