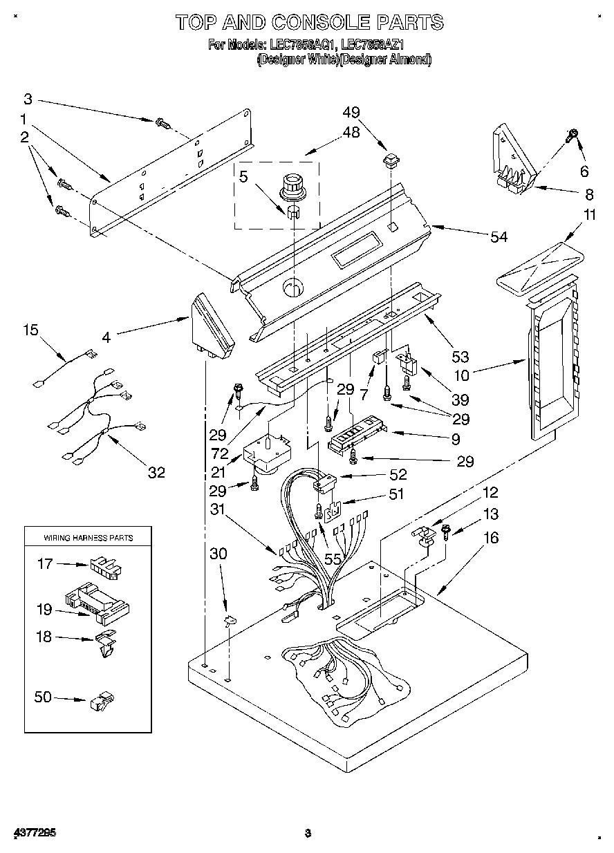
LEC7858AZ1 02 – SECTION