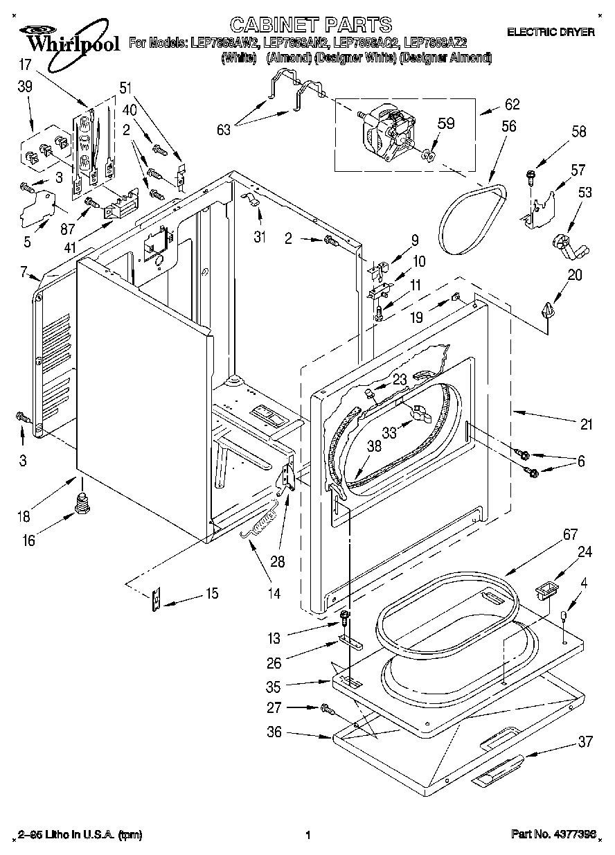
LEP7858AW2 01 – SECTION

LEP7858AW2 01 – SECTION