| Dryer |
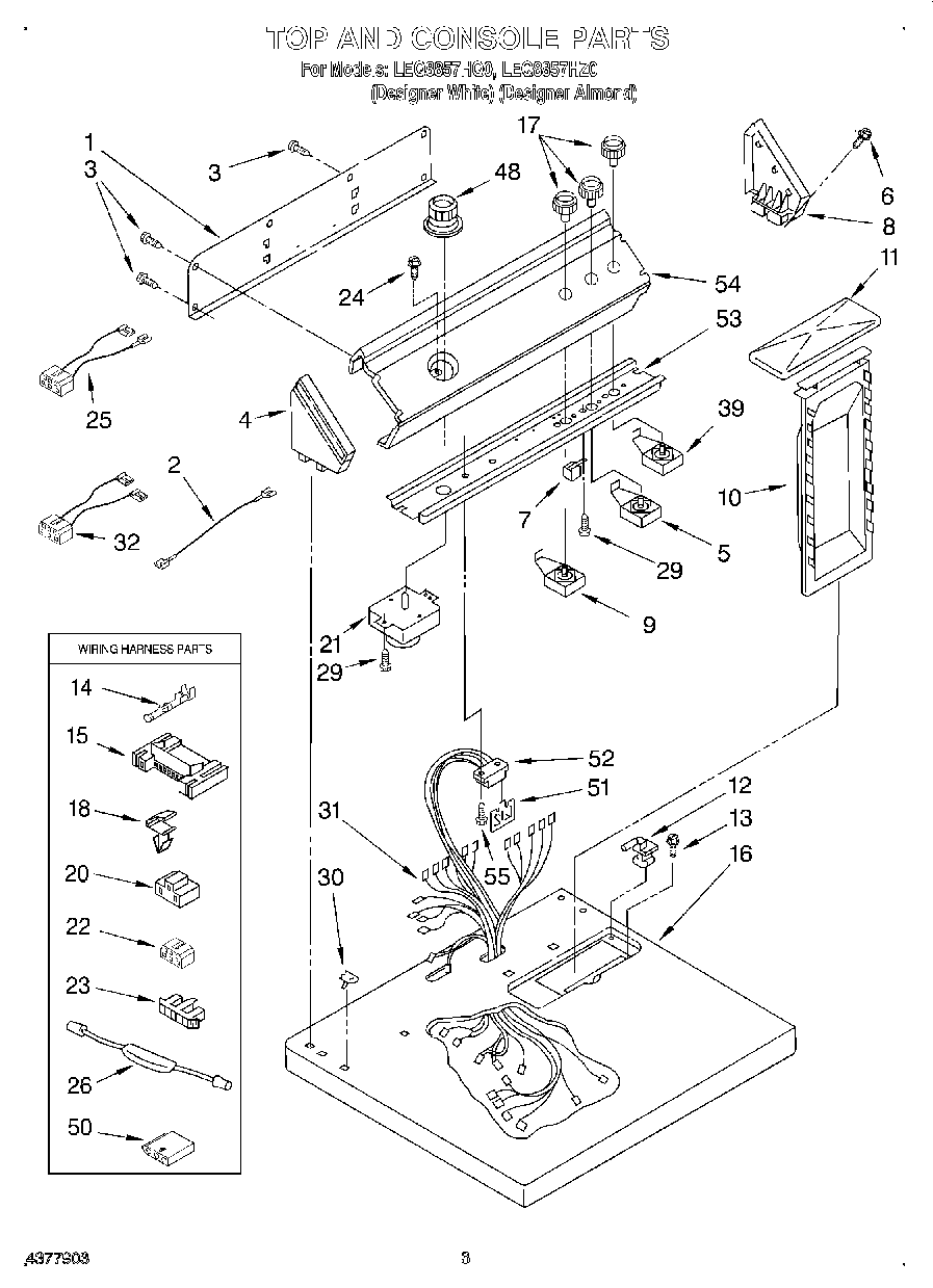
| 1 | Panel, Rear Console |
| 2 | Wire, Jumper (Black) |
| 3 | WP693995 Whirlpool Screw |
| 4 | Cap, End (L.H.) |
| 4 | Cap, End (L.H.) (Almond) |
| 5 | WP3405156 Whirlpool Switch |
| 6 | WP388326 Whirlpool Screw |
| 7 | WP694419 Whirlpool Buzzer Adjuster |
| 8 | Cap, End (R.H.) (Almond) |
| 8 | Cap, End (R.H.) |
| 9 | WP3399640 Whirlpool Switch |
| 10 | WP349639 Whirlpool Lint Filter |
| 11 | Cover, Lint Screen (Almond) |
| 11 | Cover, Lint Screen (White) |
| 12 | WPW10044480 Whirlpool Hinge Assembly |
| 12 | WPW10044470 Whirlpool Hinge Assembly |
| 13 | W11693756 Whirlpool Screw Assembly |
| 14 | WP94614 Whirlpool Terminal |
| 15 | 3395683 Whirlpool Connector |
| 16 | Top (White) |
| 16 | Top (Almond) |
| 17 | 3957797 Whirlpool Knob |
| 17 | WP3957796 Whirlpool Knob |
| 18 | WP3394427 Whirlpool Clip |
| 20 | 3401144 Whirlpool Connector |
| 21 | WP3976570 Whirlpool Timer |
| 22 | Block, Disconnect |
| 23 | Connector, Timer |
| 24 | 3400859 Whirlpool Screw |
| 25 | 3397695 Whirlpool Wire Harness |
| 26 | Resistor Assembly |
| 29 | WPW10139210 Whirlpool Screw |
| 30 | WP357213 Whirlpool Hinge Stopper |
| 31 | Harness, Wiring |
| 32 | Wire, Jumper (Temperature) |
| 39 | WP3398095 Whirlpool Dryer Start Relay |
| 48 | 3957753 Whirlpool Knob |
| 48 | WP3957752 Whirlpool Knob |
| 50 | 3936144 Whirlpool Connector |
| 51 | Control, Electronic |
| 52 | 3391885 Whirlpool Connector |
| 53 | Bracket, Control |
| 54 | WPL 3976771 |
| 54 | WPL 3976770 |
| 55 | WP72107 Whirlpool Touchup |
| 55 | SCREW |
| 55 | 350930 Whirlpool White Spray Paint |
| 55 | 72017 Whirlpool Appliance Touch-Up Paint White |
| 55 | Almond (Uncut) |
| 55 | 350938 Whirlpool Spray Gun |
| 55 | 350956 Whirlpool Spray Assembly |
| 55 | 799344 Whirlpool Refrigerator Paint |