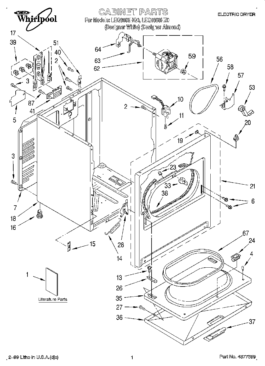
LEQ8858HQ0 01 – SECTION

LEQ8858HQ0 01 – SECTION

Products

PositionProduct
1WPL LIT3397618
1Literature Parts (Use & Care Guide)
1Literature Parts (Label, Wiring Diagram)
2SCREW
3WP693995 Whirlpool Screw
4238614 Whirlpool Bumper Hinge
5W11539855 Whirlpool Refrigerator Pump
6Screw, 10-32 x 1/2
7280043 Whirlpool Rear Panel
10WP3406107 Whirlpool Dryer Door Switch
11WP3395530 Whirlpool Screw
13WP308685 Whirlpool Microwave Screw
14WPW10041960 Whirlpool Door Spring
15W10854425 Whirlpool Dryer Front Panel Bottom Mounting Clip
1649621 Whirlpool Leveling Feet
17279318 Whirlpool Terminal
18Cabinet (Includes Illus. Nos. 5, 7, 15, 16, 41, & 57) (Almond)
18Cabinet (Includes Illus. Nos. 5, 7, 15, 16 & 57) (White)
19WP98234 Whirlpool Nut
20WP18776 Whirlpool Lock
21Panel, Front (Almond)
21279443 Whirlpool Primary Panel
23279220 Whirlpool Clip
24WP3389441 Whirlpool Door Catch
26W11252547 Whirlpool Clip Assembly
27WP694091 Whirlpool Screw
28WP8066057 Whirlpool Door Hinge
28WP8066056 Whirlpool Door Hinge
33279570 Whirlpool Dryer Door Latch Kit
35WP695737 Whirlpool Door
36WP3393549 Whirlpool Door Assembly
36Door, Front (Almond)
37WP348721 Whirlpool Handle
37Handle, Door (Almond)
38W11035878 Whirlpool Bearing and Seal
39279393 Whirlpool Terminal Block Screw and Nut Kit
40W10850756 Whirlpool Screw
41WP3397659 Whirlpool Terminal Block
51WP8066217 Whirlpool Hinge
53WP691366 Whirlpool Dryer Idler Pulley Assembly
56341241 Whirlpool Dryer Drum Belt
57WP348780 Whirlpool Base
583400500 Whirlpool Screw
59WP8066184 Whirlpool Dryer Motor Pulley
62279827 Whirlpool Dryer Drive Motor
63WP660658 Whirlpool Clamp
64WP3404162 Whirlpool Clamp
67W10906683 Whirlpool Door Seal