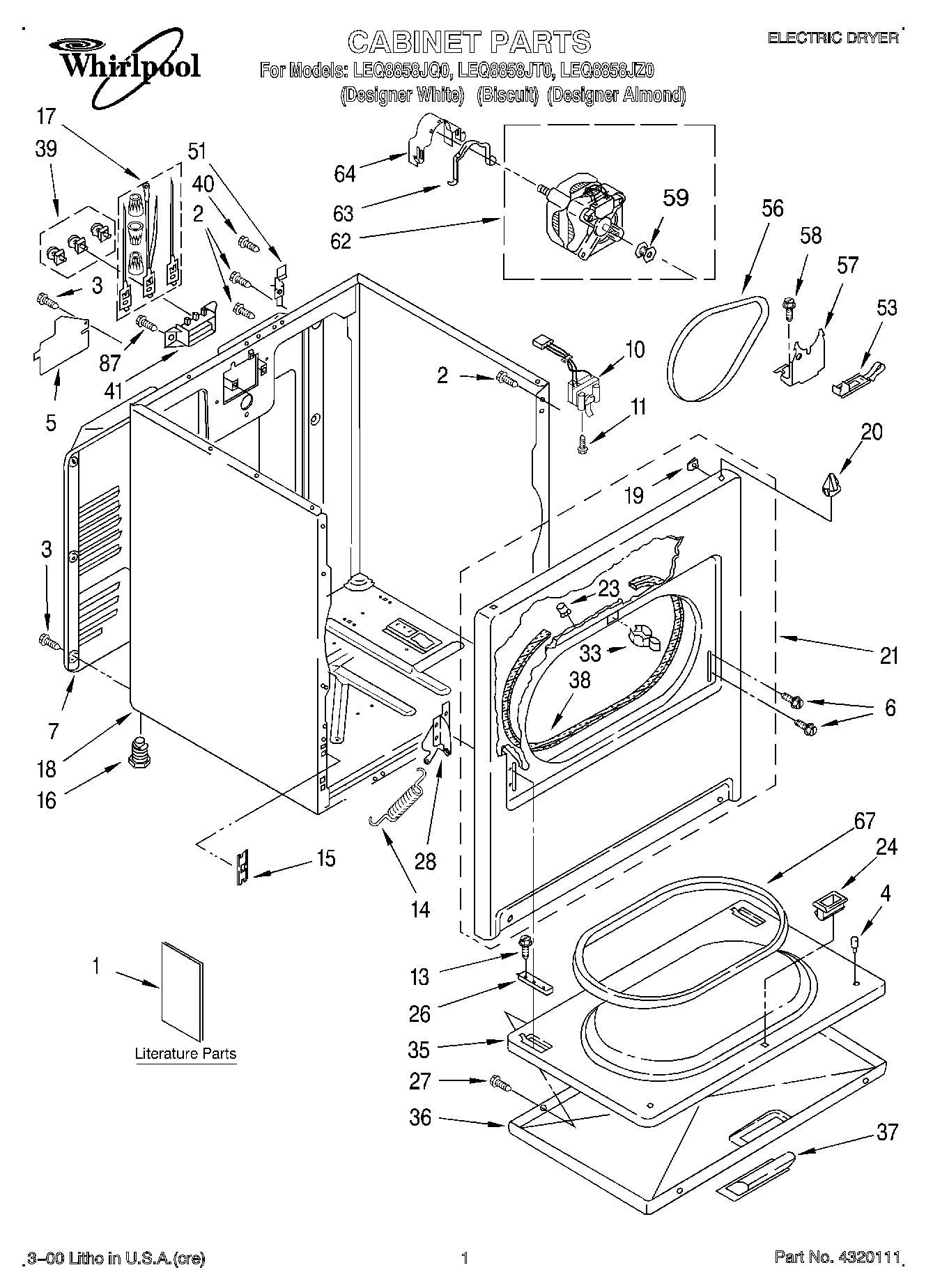
| 1 | Literature Parts (Guide, Use & Care) |
| 1 | Literature Parts (Label, Wiring Diagram) |
| 1 | WPL LIT3397618 |
| 2 | SCREW |
| 3 | WP693995 Whirlpool Screw |
| 4 | 238614 Whirlpool Bumper Hinge |
| 5 | W11539855 Whirlpool Refrigerator Pump |
| 6 | Screw, 10-32 x 1/2 |
| 7 | 280043 Whirlpool Rear Panel |
| 10 | WP3406107 Whirlpool Dryer Door Switch |
| 11 | WP3395530 Whirlpool Screw |
| 13 | WP308685 Whirlpool Microwave Screw |
| 14 | WPW10041960 Whirlpool Door Spring |
| 15 | W10854425 Whirlpool Dryer Front Panel Bottom Mounting Clip |
| 16 | 49621 Whirlpool Leveling Feet |
| 17 | 279318 Whirlpool Terminal |
| 18 | Cabinet (Biscuit (Includes Illus. Nos. 5,7,16,36, & 40)) |
| 18 | Cabinet (Includes Illus. Nos. 5, 7, 15, 16 & 57) (White) |
| 18 | Cabinet (Includes Illus. Nos. 5, 7, 15, 16, 41, & 57) (Almond) |
| 19 | WP98234 Whirlpool Nut |
| 20 | WP18776 Whirlpool Lock |
| 21 | 279891 Whirlpool Panel |
| 21 | Panel, Front (Almond) |
| 21 | 279443 Whirlpool Primary Panel |
| 23 | 279220 Whirlpool Clip |
| 24 | WP3389441 Whirlpool Door Catch |
| 26 | W11252547 Whirlpool Clip Assembly |
| 27 | WP694091 Whirlpool Screw |
| 28 | WP8066057 Whirlpool Door Hinge |
| 28 | WP8066056 Whirlpool Door Hinge |
| 33 | 279570 Whirlpool Dryer Door Latch Kit |
| 35 | WP695737 Whirlpool Door |
| 36 | Door, Front (Biscuit) |
| 36 | Door, Front (Almond) |
| 36 | WP3393549 Whirlpool Door Assembly |
| 37 | 3977242 Whirlpool Handle |
| 37 | Handle, Door (Almond) |
| 37 | WP348721 Whirlpool Handle |
| 38 | W11035878 Whirlpool Bearing and Seal |
| 39 | 279393 Whirlpool Terminal Block Screw and Nut Kit |
| 40 | W10850756 Whirlpool Screw |
| 41 | WP3397659 Whirlpool Terminal Block |
| 51 | WP8066217 Whirlpool Hinge |
| 53 | WP691366 Whirlpool Dryer Idler Pulley Assembly |
| 56 | 341241 Whirlpool Dryer Drum Belt |
| 57 | WP348780 Whirlpool Base |
| 58 | 3400500 Whirlpool Screw |
| 59 | WP8066184 Whirlpool Dryer Motor Pulley |
| 62 | 279827 Whirlpool Dryer Drive Motor |
| 63 | WP660658 Whirlpool Clamp |
| 64 | WP3404162 Whirlpool Clamp |
| 67 | W10906683 Whirlpool Door Seal |