| 350930 Whirlpool White Spray Paint |
| Label, Wiring Diagram |
| Instructions, Installation |
| Dryer |
| 799344 Whirlpool Refrigerator Paint |
| 72017 Whirlpool Appliance Touch-Up Paint White |
| Guide, Use & Care |
| 350938 Whirlpool Spray Gun |
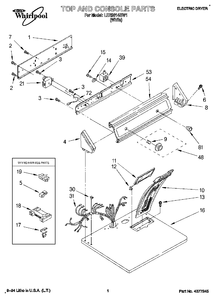
| 1 | Panel, Rear Console |
| 2 | WP489069 Whirlpool Compactor Screw |
| 3 | WPW10139210 Whirlpool Screw |
| 4 | Cap, End (L.H.) |
| 5 | Clip, Retainer |
| 6 | WP388326 Whirlpool Screw |
| 7 | WP693995 Whirlpool Screw |
| 8 | Cap, End (R.H.) |
| 9 | WP688805 Whirlpool Spring Clip |
| 10 | 339392V Whirlpool Dryer Lint Filter Screen |
| 11 | Cover, Lint Screen (White) |
| 12 | WPW10044480 Whirlpool Hinge Assembly |
| 12 | WPW10044470 Whirlpool Hinge Assembly |
| 13 | W11693756 Whirlpool Screw Assembly |
| 14 | 279872 Whirlpool Resistor |
| 15 | WP488729 Whirlpool Refrigerator Door Screw |
| 16 | Top (White) |
| 17 | WP3394427 Whirlpool Clip |
| 18 | 3395683 Whirlpool Connector |
| 19 | Connector, Timer |
| 21 | Timer, 60 Hz. |
| 30 | WP357213 Whirlpool Hinge Stopper |
| 31 | Harness, Wiring |
| 39 | WP3395382 Whirlpool Push To Start Switch |
| 48 | WP3957752 Whirlpool Knob |
| 53 | Bracket, Control |
| 54 | Panel, Control |
| 72 | Wire, Ground |
| 81 | Knob, Push-To-Start |