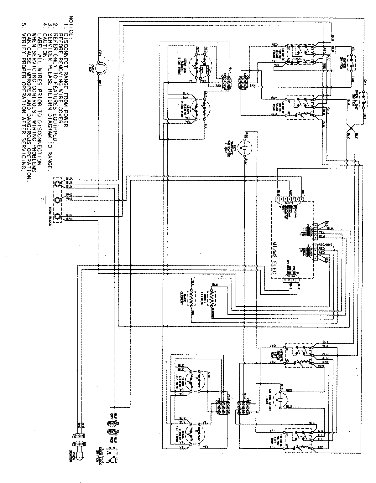
LER3330AAB 07 – WIRING INFORMATIONadmin2025-04-26T10:26:07+00:00LER3330AAB 07 – WIRING INFORMATION ProductsPositionProductNIMAY 15003514